Завод дробильного оборудования «Тульские машины» запустил производство электроприводов. Спектр применения электроприводов широк: это и металлургическое, и энергетическое, и химическое, и нефтегазовое производства, а также они применяются в агропромышленной и жилищно-коммунальной сферах. Классификация электроприводов производится по многим признакам и позволяет разделять условия эксплуатации той или иной модели. «Тульские машины» производит несколько видов электроприводов:
- с двухсторонней муфтой общепромышленного назначения (НА, НБ, НВ, НГ, НД, НМ);
- взрывозащищенные (ВА, ВБ, ВВ, ВГ, ВД).
Каталог «Тульских Машин» включает в себя:
-
- электроприводы для трубопроводов;
- электроприводы для запорной арматуры;
- электроприводы с двусторонней муфтой;
- многооборотные электроприводы.
Завод «Тульские Машины» зарекомендовал себя как надежного производителя качественной и простой в эксплуатации продукции.
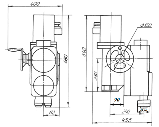
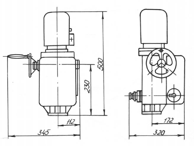
Многооборотные электроприводы общепромышленного и взрывозащищенного исполнения с двусторонней муфтой (ТУ 28.14.20-001-43542160-2024)
Многооборотные электроприводы с двусторонней муфтой, предназначенной для ограничения крутящего момента, служат для контроля потоков в трубопроводах посредством
запорной арматуры. Такие трубы могут находиться как на открытом воздухе, так и в помещении.
Климатическое исполнение по ГОСТ 15150-69
У1, У2 – температура окружающей среды от +40 до –45 ° С УХЛ1, УХЛ2 – температура окружающей среды от +40 до –60 ° С Т1, Т2 – температура окружающей среды от +50 до –10 ° С Стабильную работу электроприводом можно обеспечить при температуре не ниже -70 ° С в исполнении УХЛ1 и УХЛ2 и + 60 ° С в исполнении Т1 и Т2.
Электроприводы монтируются на запорной арматуре посредством фланцев. Присоединительные размеры будут зависеть от типов электропривода задвижки: М, А, Б, В, Г и Д. Устанавливаться электроприводы могут в любом положении. Дистанционное управление
электрическими приводами возможно с пульта, что не исключает ручного управления. Оснащение приводов может быть разным: он может быть укомплектован электромеханическим или электронным блоком концевых выключателей.
Функции электроприводов для задвижек.
- Открытие и закрытие трубы с помощью электропривода запорной арматуры путём нажатия кнопок на пульте управления, а также остановка электропривода кнопкой «стоп»;
- Отключение двигателя ограничительной муфтой без участия человека при достижении необходимого крутящего момента на выходном валу, либо в аварийной ситуации при заедании деталей в процессе закрывания-открывания;
- Отключение электродвигателя при крайних положениях запорной арматуры;
- Снятие показаний и положений промежуточных значений устройства запорной арматуры на шкале местного указателя;
- Указание значения открытия арматуры в проходе трубы дистанционным методом на пульте с помощью датчика положений;
- Смена ручного и автоматического режимов электропривода при необходимости;
- Блокировка работы механизмов и агрегатов, подключенных вместе с электроприводом;
- Контроль показаний крутящего момента в пределах, приведённых в таблице.
Электропривод НМ, ТЭ099.088-01-04М
- Конструкторское обозначение электропривода - ТЭ099.088-01-04М.
- Диапазон крутящего момента на выходном валу: для НМ 01, 02 – 5-10 (Н*м); для НМ 03, 04 – 10-25 (Н*м).
- Частота вращения выходного вала: для НМ 01, 02, 03, 04 – 9.5 (об/мин).
- Число оборотов выходного вала электропривода, для закрывания или открывания арматуры: для НМ 01, 03 – минимум 1, максимум 6; для НМ 02, 04 – минимум 4. максимум 24.
- Мощность электродвигателя привода: для НМ 01, 02, 04 – 0.25 (кВт); для НМ 03 – 0.18 (кВт).
- Масса электропривода - 12.5 (кг).
|
|
|
Электропривод НА, ТЭ099.058.-01, 02, 04, 05 М
- Конструкторское обозначение электропривода - ТЭ099.058-01, 02, 04, 05М.
- Диапазон крутящего момента на выходном валу - 25-60 (Н*м).
- Частота вращения выходного вала: для НА 01, 04 – 12 (об/мин); для НА 02, 03, 05 – 24 (об/мин).
- Число оборотов выходного вала электропривода, для закрывания или открывания арматуры: для НА 01, 02 – минимум 1, максимум 10; для НА 04, 05 – минимум 10, максимум 45.
- Мощность электродвигателя привода: для НА 01, 04 – 0.18 (кВт); для НА 02, 05 – 0.25 (кВт).
- Масса электропривода – 17 (кг).
Электропривод НА, ТЭ099.058.-08, 11, 14 М1
- Конструкторское обозначение электропривода - ТЭ099.058-08, 11, 14 М.
- Диапазон крутящего момента на выходном валу - 60-100 (Н*м).
- Частота вращения выходного вала: для НА 08, 11 – 24 (об/мин); НА 14 – 48 (об/мин)
- Число оборотов выходного вала электропривода, для закрывания или открывания арматуры: для НА 08 – минимум 1, максимум 10; для НА 11, 14 – минимум 10, максимум 45.
- Мощность электродвигателя привода: для НА 08, 11 – 0.25 (кВт); для НА 14 – 0,37 (кВт).
- Масса электропривода - 17 (кг).
|
|
|
Электропривод ВА, ТЭ099.059-01, 02, 04, 05, 07, 08, 10, 11М
- Конструкторское обозначение электропривода - ТЭ099.059-01М.
- Диапазон крутящего момента на выходном валу - 25-60 (Н*м).
- Частота вращения выходного вала: для ВА 01, 04, 07, 10 – 12 (об/мин); для ВА 02, 05, 08, 10, 11, 16 – 24 (об/мин)
- Число оборотов выходного вала электропривода, для закрывания или открывания арматуры: для ВА 01, 02, 07, 08 – минимум 1, максимум 10; для ВА 04, 05, 10, 11 – минимум 10; максимум 45; для ВА 16 – минимум 1; максимум 50.
- Мощность электродвигателя привода: для ВА 01, 04, 07, 10 – 0.25 (кВт); для ВА 02, 05, 08, 10, 11, 17 – 0.37 (кВт).
- Масса электропривода - 40 (кг).
Электропривод ВА, ТЭ099.059-12, 19М
- Конструкторское обозначение электропривода - ТЭ099.059-012, 19М.
- Диапазон крутящего момента на выходном валу - 10-35 (Н*м).
- Частота вращения выходного вала: для ВА 12, 19 – 12 (об/мин).
- Число оборотов выходного вала электропривода, для закрывания или открывания арматуры: для ВА 12 – минимум 1, максимум 10; для ВА 19 – минимум 1; максимум 50.
- Мощность электродвигателя привода: для ВА 12, 19 – 0.25 (кВт).
- Масса электропривода - 40 (кг).
Электропривод ВА, ТЭ099.059-13, 14, 20, 21М
- Конструкторское обозначение электропривода - ТЭ099.059-13, 14, 20, 21М.
- Диапазон крутящего момента на выходном валу - 60-100 (Н*м).
- Частота вращения выходного вала: для ВА 13, 20 – 48 (об/мин); для ВА 14, 21 – 1,8 (об/мин); для ВА 17 – 12 (об/мин)
- Число оборотов выходного вала электропривода, для закрывания или открывания арматуры: для ВА 13 – минимум 10, максимум 45; для ВА 14 – минимум 1, максимум 4; для ВА 17, 20 – минимум 1, максимум 50;
- Мощность электродвигателя привода; для ВА 13, 20 – 0.55 (кВт); для ВА 14, 21 – 0,09 (кВт); для ВА 17 – 0,37 (кВт);
- Масса электропривода: для ВА 13, 17 – 40 (кг); ; для ВА 14, 21 – 38 (кг).
|
 
|
Электропривод НБ, Б099.098-01-12М1
- Конструкторское обозначение электропривода - Б99.098-01-12М1 .
- Диапазон крутящего момента на выходном валу - 100-300 (Н*м).
- Частота вращения выходного вала: для НВ 01, 03, 07, 08, 09 – 25 (об/мин); для НВ 04, 05, 06, 10, 11, 12 - 50 (об/мин).
- Число оборотов выходного вала электропривода, для закрывания или открывания арматуры: для НБ 01, 04, 07, 10 – минимум 1, максимум 6; для НБ 01, 05, 08, 11 – минимум 6, максимум 36; для НБ 03, 06, 09, 12 – минимум 36, максимум 200.
- Мощность электродвигателя привода: НВ 01, 03, 07, 08, 09 – 1.32 (кВт); НВ 04, 05, 06, 10, 11, 12 – 1.7 (кВт).
- Масса электропривода - 53 (кг).
Электропривод НБ, Б099.098-13-18М1
- Конструкторское обозначение электропривода - Б99.098-13-19М1 .
- Диапазон крутящего момента на выходном валу - 100-300 (Н*м).
- Частота вращения выходного вала: для НВ 13, 14, 15, 16, 17, 18 – 6 (об/мин).
- Число оборотов выходного вала электропривода, для закрывания или открывания арматуры: для НБ 13, 16 – минимум 1, максимум 6; НБ 14, 17 – минимум 6; максимум 36; НБ 15, 18 – минимум 36; максимум 200.
- Мощность электродвигателя привода: НВ 13, 14, 15, 16, 17, 18 – 0,6 (кВт).
- Масса электропривода - 53 (кг).
|
 
|
Электропривод ВБ, Б099.099-01-06
- Конструкторское обозначение электропривода - Б099.099-01-06М1 .
- Диапазон крутящего момента на выходном валу - 100-300 (Н*м).
- Частота вращения выходного вала: для ВБ 01, 02, 03 – 25 (об/мин); для ВБ 04, 05, 06 - 50 (об/мин); для ВБ 07, 08, 09 - 6 (об/мин).
- Число оборотов выходного вала электропривода, для закрывания или открывания арматуры: для ВБ 01, 04, 07 – минимум 1, максимум 6; для ВБ 02, 05, 08 – минимум 6, максимум 36; для ВБ 03, 06, 09 – минимум 36; максимум 200.
- Мощность электродвигателя привода: для ВБ 01, 02, 03 – 1.1 (кВт); для ВБ 04, 05, 06 – 1.5 (кВт); для ВБ 07, 08 – 0.55 (кВт).
- Масса электропривода - 67 (кг).
|
 
|
Электропривод НВ, Б099.100-01-06М
Электропривод общего назначения с сальниковым вводом.
- Конструкторское обозначение электропривода - Б099.100-01-06М.
- Диапазон крутящего момента на выходном валу - 250-630 (Н*м).
- Частота вращения выходного вала: для НВ 01, 02, 03 – 24 (об/мин); для НВ 04, 05, 06 – 48 (об/мин).
- Число оборотов выходного вала электропривода, для закрывания или открывания арматуры; для НВ 01, 04 – минимум 1, максимум 6; для НВ 02, 05 – минимум 6, максимум 36; для НВ 03, 06 – минимум 36, максимум 200;
- Мощность электродвигателя привода: для НВ 01, 02, 03 – 3.2 (кВт); для НВ 04, 05, 06 – 4,25 (кВт).
- Масса электропривода: НВ 01, 03, 05 – 94 (кг), НВ 02, 04, 06 – 102 (кг).
Электропривод НВ, Б099.100-07-12М
Электропривод общего назначения со штепсельным разъёмом.
- Конструкторское обозначение электропривода - Б099.100-07-12М.
- Диапазон крутящего момента на выходном валу - 250-630 (Н*м).
- Частота вращения выходного вала: для НВ 07, 08, 09 – 24 (об/мин); для НВ 10, 11, 12 – 48 (об/мин).
- Число оборотов выходного вала электропривода, для закрывания или открывания арматуры; для НВ 07, 10 – минимум 1, максимум 6; для НВ 08, 11 – минимум 6, максимум 36; для НВ 09, 12 – минимум 36, максимум 200;
- Мощность электродвигателя привода: для НВ 07, 08, 09 – 3.2 (кВт); для НВ 10, 11, 12 – 4,25 (кВт).
- Масса электропривода – 102 (кг).
Электропривод НВ, Б099.100-14-19М
Электропривод общего назначения с сальниковым вводом.
- Конструкторское обозначение электропривода - Б099.100-14-19М.
- Диапазон крутящего момента на выходном валу - 630-1000 (Н*м).
- Частота вращения выходного вала: для НВ 14, 15, 16 – 24 (об/мин); для НВ 17, 18, 19 – 48 (об/мин).
- Число оборотов выходного вала электропривода, для закрывания или открывания арматуры; для НВ 14, 17– минимум 1, максимум 6; для НВ 15, 18 – минимум 6, максимум 36; для НВ 16, 19 – минимум 36, максимум 200;
- Мощность электродвигателя привода: для НВ 14, 15, 16 – 3.2 (кВт); для НВ 17, 18, 19 – 4,25 (кВт).
- Масса электропривода – 102 (кг).
Электропривод НВ, Б099.100-20-25М
Электропривод общего назначения со штепсельным разъёмом.
- Конструкторское обозначение электропривода - Б099.100-14-19М.
- Диапазон крутящего момента на выходном валу - 630-1000 (Н*м).
- Частота вращения выходного вала: для НВ 20, 21, 22 – 24 (об/мин); для НВ 23, 24, 25 – 48 (об/мин).
- Число оборотов выходного вала электропривода, для закрывания или открывания арматуры; для НВ 20, 23– минимум 1, максимум 6; для НВ 21, 24 – минимум 6, максимум 36; для НВ 22, 25 – минимум 36, максимум 200;
- Мощность электродвигателя привода: для НВ 20, 21, 22 – 3.2 (кВт); для НВ 23, 24, 25 – 4,25 (кВт).
- Масса электропривода – 102 (кг).
|
 
|
Электропривод ВВ, Б099.101-01-06М
- Конструкторское обозначение электропривода - Б099.101-01-06М.
- Диапазон крутящего момента на выходном валу - 250-630 (Н*м).
- Частота вращения выходного вала: для ВВ 01, 02, 03 – 25 (об/мин); для ВВ 04, 05, 06 – 50 (об/мин).
- Число оборотов выходного вала электропривода, для закрывания или открывания арматуры; для ВВ 01, 04 – минимум 1, максимум 6; для ВВ 02, 05 – минимум 6, максимум 36; для ВВ 03, 06 – минимум 36, максимум 200;
- Мощность электродвигателя привода: для ВВ 01, 02, 03 – 3 (кВт); для ВВ 04, 05, 06 – 4 (кВт).
- Масса электропривода: 137 (кг).
Электропривод ВВ, Б099.101-07-12М
- Конструкторское обозначение электропривода - Б099.101-07-12М.
- Диапазон крутящего момента на выходном валу - 630-1000 (Н*м).
- Частота вращения выходного вала: для ВВ 07, 08, 09 – 6 (об/мин); для ВВ 10, 12 – 25 (об/мин); для ВВ 11 – 50 (об/мин).
- Число оборотов выходного вала электропривода, для закрывания или открывания арматуры; для ВВ 07, 10 – минимум 1, максимум 6; для ВВ 08, 11 – минимум 6, максимум 36; для ВВ 09, 12 – минимум 36, максимум 200.
- Мощность электродвигателя привода: для ВВ 07, 08, 09 – 3 (кВт); для ВВ 10, 11, 12 – 4 (кВт).
- Масса электропривода: для ВВ 07, 08, 09 – 137 (кг); для ВВ 10, 11, 12 – 143 (кг).
Электропривод ВВ, Б099.101-13-18М
- Конструкторское обозначение электропривода - Б099.101-13-18М.
- Диапазон крутящего момента на выходном валу: для ВВ 13, 14, 15 – 250-630 (Н*м); для ВВ 16, 17, 18 – 630-1000 (Н*м).
- Частота вращения выходного вала: для ВВ 13-18 – 6 (об/мин).
- Число оборотов выходного вала электропривода, для закрывания или открывания арматуры; для ВВ 13, 16 – минимум 1, максимум 6; для ВВ 14, 17 – минимум 6, максимум 36; для ВВ 15, 18 – минимум 36, максимум 200.
- Мощность электродвигателя привода: для ВВ 13-18 – 1,1 (кВт).
- Масса электропривода: 112 (кг).
Электропривод ВВ, Б099.101-19-20М
- Конструкторское обозначение электропривода - Б099.101-19-20М.
- Диапазон крутящего момента на выходном валу: для ВВ 19 – 250-630 (Н*м); для ВВ 20 – 630-1000 (Н*м).
- Частота вращения выходного вала: для ВВ 19-20 – 48 (об/мин).
- Число оборотов выходного вала электропривода, для закрывания или открывания арматуры; для ВВ 19-20 – минимум 144, максимум 800.
- Мощность электродвигателя привода: для ВВ 19-20 – 4 (кВт).
- Масса электропривода: 143 (кг).
|
 
|
Электропривод НГ, Б099.102-01-03,10-12М
- Конструкторское обозначение электропривода - Б099.102-01-03,10-12, 25-30М.
- Диапазон крутящего момента на выходном валу - 1000-2500 (Н*м).
- Частота вращения выходного вала: для НГ 01, 02, 03, 10, 11, 12 – 20 (об/мин).
- Число оборотов выходного вала электропривода, для закрывания или открывания арматуры; для НГ 01, 04, 10 – минимум 1, максимум 6; для НГ 02, 05, 11 – минимум 6, максимум 36; для НГ 03, 06, 12 – минимум 36, максимум 200;
- Мощность электродвигателя привода: для НГ 01, 02, 03, 10, 11, 12 – 4, 25 (кВт).
- Масса электропривода: для НГ 01, 02, 03, 10, 11, 12 – 165 (кг).
Электропривод НГ, Б099.102-01-04-09, 13-18М
- Конструкторское обозначение электропривода - Б099.102-01-03,10-12, 25-30М.
- Диапазон крутящего момента на выходном валу - 1000-2500 (Н*м).
- Частота вращения выходного вала: для НГ 04-09, 13-18 – 40 (об/мин).
- Число оборотов выходного вала электропривода, для закрывания или открывания арматуры; для НГ 04, 13 – минимум 1, максимум 6; для НГ 05, 14 – минимум 6, максимум 36; для НГ 06, 15 – минимум 36, максимум 200; для НГ 07, 16 – минимум 4, максимум 24; для НГ 08, 17 – минимум 24, максимум 144; для НГ 09, 18 – минимум 144, максимум 800.
- Мощность электродвигателя привода: для НГ 04-09, 13-18 – 8,5 (кВт).
- Масса электропривода: для НГ 04-09, 13-18 – 210 (кг).
Электропривод НГ, Б099.102-01-19-24М
- Конструкторское обозначение электропривода - Б099.102-01-03,10-12, 25-30М.
- Диапазон крутящего момента на выходном валу - 1000-2500 (Н*м).
- Частота вращения выходного вала: для НГ 19-24 – 5 (об/мин).
- Число оборотов выходного вала электропривода, для закрывания или открывания арматуры; для НГ 19, 22 – минимум 1, максимум 6; для НГ 20, 23 – минимум 6, максимум 36; для НГ 21, 24 – минимум 36, максимум 200.
- Мощность электродвигателя привода: для НГ 19-24 – 1,32 (кВт).
- Масса электропривода: для НГ 19-24 – 165 (кг).
|
 
|
Электропривод ВГ, Б099.103-01-06М
- Конструкторское обозначение электропривода - Б099.103-01-06М.
- Диапазон крутящего момента на выходном валу - 1000-2500 (Н*м).
- Частота вращения выходного вала: для ВГ 01, 02, 03 – 20 (об/мин); для ВГ 04, 05, 06 – 40 (об/мин).
- Число оборотов выходного вала электропривода, для закрывания или открывания арматуры; для ВГ 01, 04 – минимум 1, максимум 6; для ВГ 02, 05 – минимум 6, максимум 36; для ВГ 03, 06 – минимум 36, максимум 200;
- Мощность электродвигателя привода: для ВГ 01, 02, 03 – 5,5 (кВт); для ВГ 04, 05, 06 – 7,5 (кВт).
- Масса электропривода: для ВГ 01, 02, 03 – 210 (кг); для ВГ 04, 05, 06 – 252 (кг).
Электропривод ВГ, Б099.103-07-09М
- Конструкторское обозначение электропривода - Б099.103-07-09М.
- Диапазон крутящего момента на выходном валу - 1000-2500 (Н*м).
- Частота вращения выходного вала: 40 (об/мин).
- Число оборотов выходного вала электропривода, для закрывания или открывания арматуры; для ВГ 07 – минимум 4, максимум 24; для ВГ 08 – минимум 24, максимум 144; для ВГ 09 – минимум 144, максимум 800.
- Мощность электродвигателя привода: 7,5 (кВт).
- Масса электропривода: 252 (кг).
Электропривод ВГ, Б099.103-10-12М
- Конструкторское обозначение электропривода - Б099.103-10-12М.
- Диапазон крутящего момента на выходном валу: 1000-2500 (Н*м).
- Частота вращения выходного вала: 5 (об/мин).
- Число оборотов выходного вала электропривода, для закрывания или открывания арматуры; для ВГ 10 – минимум 1, максимум 6; для ВГ 11 – минимум 6, максимум 36; для ВГ 12 – минимум 36, максимум 200.
- Мощность электродвигателя привода: 1,5 (кВт).
- Масса электропривода: 165 (кг).
Электропривод ВГ, Б099.103-13-15М
- Конструкторское обозначение электропривода - Б099.103-13-15М.
- Диапазон крутящего момента на выходном валу: 1000-2500 (Н*м).
- Частота вращения выходного вала: 40 (об/мин).
- Число оборотов выходного вала электропривода, для закрывания или открывания арматуры; для ВГ 13 – минимум 4, максимум 24; для ВГ 14 – минимум 24, максимум 144; для ВГ 15 – минимум 144, максимум 800.
- Мощность электродвигателя привода: 4 (кВт).
- Масса электропривода: 192 (кг).
|
 
|
Электропривод НД, Б099.104-01-06М
- Конструкторское обозначение электропривода - Б099.104-01-06М.
- Диапазон крутящего момента на выходном валу - 5000-8500 (Н*м).
- Частота вращения выходного вала: 10 (об/мин).
- Число оборотов выходного вала электропривода, для закрывания или открывания арматуры; для НД 01, 04 – минимум 1, максимум 6; для НД 02, 05 – минимум 6, максимум 36; для НД 03, 06 – минимум 36, максимум 200;
- Мощность электродвигателя привода: 8,5 (кВт).
- Масса электропривода: 400 (кг).
Электропривод НД, Б099.104-07-12М
- Конструкторское обозначение электропривода - Б099.104-01-06М.
- Диапазон крутящего момента на выходном валу - 6300-10000 (Н*м).
- Частота вращения выходного вала: 9,3 (об/мин).
- Число оборотов выходного вала электропривода, для закрывания или открывания арматуры; для НД 07, 10 – минимум 1, максимум 6; для НД 08, 11 – минимум 6, максимум 36; для НД 09, 12 – минимум 36, максимум 200.
- Мощность электродвигателя привода: 8,5 (кВт).
- Масса электропривода: 450 (кг).
Электропривод НД, Б099.104-13-18М
- Конструкторское обозначение электропривода - Б099.104-13-18М.
- Диапазон крутящего момента на выходном валу - 2500-5000 (Н*м).
- Частота вращения выходного вала: 10 (об/мин).
- Число оборотов выходного вала электропривода, для закрывания или открывания арматуры; для НД 13, 16 – минимум 1, максимум 6; для НД 14, 17 – минимум 6, максимум 36; для НД 15, 18 – минимум 36, максимум 200.
- Мощность электродвигателя привода: 4,25 (кВт).
- Масса электропривода: 370 (кг).
|
 
|
Электропривод ВД, Б099.105-01-03М
- Конструкторское обозначение электропривода - Б099.105-01-03М.
- Диапазон крутящего момента на выходном валу - 5000-8500 (Н*м).
- Частота вращения выходного вала: 10 (об/мин).
- Число оборотов выходного вала электропривода, для закрывания или открывания арматуры; для ВД 01 – минимум 1, максимум 6; для ВД 02 – минимум 6, максимум 36; для ВД 03 – минимум 36, максимум 200;
- Мощность электродвигателя привода: 7,5 (кВт).
- Масса электропривода: 400 (кг).
Электропривод ВД, Б099.105-04-06М
- Конструкторское обозначение электропривода - Б099.105-04-06М.
- Диапазон крутящего момента на выходном валу - 6300-10000 (Н*м).
- Частота вращения выходного вала: 9,3 (об/мин).
- Число оборотов выходного вала электропривода, для закрывания или открывания арматуры; для ВД 04 – минимум 1, максимум 6; для ВД 04 – минимум 6, максимум 36; для ВД 06 – минимум 36, максимум 200;
- Мощность электродвигателя привода: 7,5 (кВт).
- Масса электропривода: 450 (кг).
Электропривод ВД, Б099.105-07-09М
- Конструкторское обозначение электропривода - Б099.105-07-09М.
- Диапазон крутящего момента на выходном валу - 2500-5000 (Н*м).
- Частота вращения выходного вала: 10 (об/мин).
- Число оборотов выходного вала электропривода, для закрывания или открывания арматуры; для ВД 07 – минимум 1, максимум 6; для ВД 08 – минимум 6, максимум 36; для ВД 09 – минимум 36, максимум 200;
- Мощность электродвигателя привода: 4 (кВт).
- Масса электропривода: 370 (кг).
|
 
|
«Тульские Машины» – завод с заслуженной репутацией
Наше производство располагается в Туле и мы зарекомендовали себя как успешного производителя электроприводов различного назначения не только в России, но и странах СНГ. Большую роль в растущем доверии заводу «Тульские Машины» сыграла слаженная работа всех членов коллектива — квалифицированных в сфере производства электроприводов специалистов. Каждое устройство создаётся на базе проверенных передовых в данной области технологий на современном оборудовании, отвечающем государственным стандартам и техническим нормативам, требованиям по использованию во всех секторах промышленности. «Тульские Машины» имеет полный пакет соответствующих разрешений и сертификатов.
Электропривод от «Тульских Машин» – качество и надежность
Производство завода «Тульские Машины» контролируется на всех этапах, что позволяет тестировать устройства и вносить необходимые изменения до того, как будет запущен массовый выпуск. Система контроля производства электроприводов позволяет также настраивать все режимы функционирования электропривода по окончанию его сборки. От качества контроля зависит как работоспособность привода, так и полнота его функционала. По таким жестким стандартам предприятие работает уже много лет. Если вам нужно
купить электропривод, который будет бесперебойно служить долгие годы — обращайтесь в «Тульские Машины».