Электроприводы типа А

Электропривод ВА
Электрический привод ВА представляет собой изделие со специальными приспособлениями – муфтами. Они с...
узнать цену
Электропривод НА
Электропривод НА применяется в области управляющего элемента запорных арматур. Контроль может происх...
узнать цену

Основные задачи электроприводов типа А

Мы перечислим основные функции, которые выполняют электроприводы НА и ВА:
  • закрытие и открытие затвора арматуры с помощью диспетчерского пульта;
  • механическое закрытие и открытие арматуры с помощью маховика, что позволяет регулировать работу систему при аварийном отключении электропитания;
  • остановка в любом положении затвора с помощью кнопки Стоп на пульте;
  • автоматическое отключения электропитания двигателя, если достигается заданный крутящий момент, а также в случае с электроприводом ВА если его подвижные части аварийно отключаются;
  • подключение сигнализации к диспетчерскому пульту;
  • выключение арматуры автоматически при достижении затвором крайнего положения;
  • сбор данных о текущей фазе открытия затвора;
  • возможность переключения режима, ручного или автоматического, в любой момент.

Варианты исполнения

Электропривод НА общепромышленного исполнения с червячно-цилиндрическим редуктором и двухсторонней муфтой. Электропривод ВА взрывозащищенного исполнения с червячно-цилиндрическим редуктором и двухсторонней муфтой.
«Тульские Машины» осуществят доставку электропривода А в любой регион России, а также в страны СНГ по доступным ценам и всегда с гарантией качества, подверждённого сертификатами.

Электропривод НА

Электропривод НА применяется в области управляющего элемента запорных арматур. Контроль может происходить ручным способом и дистанционным в том числе. НА электроприводы нужны для того, чтобы работать в повторно-кратковременных интервалах. Рекомендуется включать такой электропривод с длительностью 25%. Осуществить работу электрического двигателя от привода НА, можно через сеть с переменным током, что имеет стандартную частоту 50-60 Гц, с напряжением 220-660В. Обычно это выбирается при покупке, но если спецификаций и особых требований на электропривод на не было, то потребляется стандартный тип напряжения 380В, имеющий частоту 50 Гц. Устанавливаться электроприводы типа А способны как в помещениях, так и под навесами, разными сооружениями, открытым небом. Причём они могут быть установлены в нужном положении по трубопроводу. Основные функции электроприводов типа НА:
  • Закрыть и открыть проход арматур при помощи управляющего пульта.
  • Также можно остановить запорные устройства арматур в любых положениях.
  • В автоматическом режиме отключать электродвигатель муфтой, которая ограничивает крутящий момент, когда достигнуто заданное значение.
  • Сигнализировать о крайнем положении запорных устройств арматуры на пульт, а также о том, что сработала муфта, когда крутящийся момент ограничен.
  • В автоматическом режиме производить выключение электрического двигателя, когда запорное устройство арматуры достигает крайнего положения.
  • Указывать крайние и промежуточные положения запорных устройств на местной шкале.
  • Указывать крайний радиус при открытии прохода арматур на управляющем дисплее (если есть датчик).
  • В автоматическом режиме переключить электропривод в положение ручного управления или электрического.
  • Электрически задавать блокирование электропривода, когда работают прочие механизмы и агрегаты.
Такой электропривод включает в себя следующие детали и основные узлы:
  • Электродвигатель.
  • Планетарный редуктор.
  • Узел путевого выключателя.
  • Узел моментной муфты.
  • Узел ручного дублера и маховик.
  • Выходной вал с квадратом или кулачком.

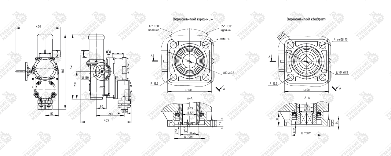
Схема и основные размеры электропривода НА

Наиболее распространенные типы электроприводов НА:

  • Для чугунных задвижек (30ч906бр) или стальных задвижек (30с941нж) диаметром (Dy,мм), как правило, применяются следующие типы электроприводов:
  • для Dy 50, 80, 100 применяют электропривод НА-04 или электропривод НА-05;
  • для Dy 150 применяют электропривод НА-10.

Электропривод ВА

Электрический привод ВА представляет собой изделие со специальными приспособлениями – муфтами. Они служат для соединения с устройствами запорного типа, которые устанавливаются на трубопроводах. Благодаря взрывозащищённому исполнению, электропривод может применяться в зонах с повышенной взрывоопасностью. Электропривод выполнен таким образом, что может устанавливаться в необходимом положении на требуемом участке трубопровода. Управление подсоединённой к электроприводу арматурой может осуществляться в ручном режиме, а также на расстоянии с помощью пульта управления. Режим работы электропривода ВА – повторно-кратковременный (ПВ не превышает 25%) в системах, где применяется для управления микропроцессорная техника и автоматы. Электропривод ВА выполняет следующие задачи:
  • меняет положение клапана запорного устройства как при поступлении соответствующей команды, так и в ручном режиме;
  • при необходимости останавливает запорный узел в промежуточном положении;
  • информирует сигналом, если возникают неполадки или если запорное устройство достигает крайних положений – в этом случае электропривод отключается;
  • переключение с автоматического на ручной режим работы;
  • обеспечение электрической блокировки при работе с другими устройствами;
  • регулировка частоты крутящего момента;
  • дистанционная корректировка величины открытия запорного устройства при установке в схему управления переменного сопротивления.
«Тульские Машины» предлагают купить электроприводы ВА различной мощности на питание от сети переменного тока 220, 380 или 660 В, частотой 50 и 60Гц. Основные составные части электропривода ВА:
  • редуктор червячно-цилиндрического типа;
  • муфта моментная;
  • выключатели путевые;
  • маховик;
  • вал со специальным приспособлением для подсоединения.

Схема и основные размеры электропривода ВА


Внутренние узлы в соединениях электрических приводов имеют специальные уплотнительные устройства, которые обеспечивают надежную герметизацию.

Наиболее распространенные типы электроприводов ВА

Для стальных задвижек (30c941нж) диаметром (Dy,мм):
  • для Dy 50 применяют электропривод ВА-04, либо электропривод ВА-05
  • для Dy 80, 100 применяют электропривод ВА-05
  • для Dy 150 применяют электропривод ВА-10

Таблица применения электроприводов на изделиях ОАО "Тяжпромарматура".

Тип изделия

Условное обозначение

DN, мм

PN, МПа

Тип электропривода (ТУ 28.14.20-001-43542160-2024)

М кр., Н-м

30с941нжФ

МА 11021

80

1,6

В-А2-11К

60-100

30с941нжФХЛ

МА 11021-ХЛ

30с964нжФ

МА 11022

2,5

30с964нжФХЛ

МА11022-ХЛ

30с915нжФ

МА 11024

4,0

30с915нжФХЛ

МА11024-ХЛ

30с941нжФ

МА 11021

100

1,6

В-А2-11К

60-100

30с941нжФХЛ

МА11021-ХЛ

30с964нжФ

МА 11022

2,5

30с964нжФХЛ

МА11022-ХЛ

30с915нжФ

МА11024

4,0

30с915нжФХЛ

МА11024-ХЛ

30с976нжФ

30с976нж

6,3

В-Б1-05

100-300

30с967нжХФЛ

30с976нжХЛ

31с916нжБФ

31с916нжБ

10,0

31с916нжБФХЛ

31с916нжБХЛ

30с941нжФ

МА 11021

150

1,6

А-Ф2-11К

60-100

30с941нжФХЛ

МА11021-ХЛ

30с964нжФ

МА 11022

2,5

В-Б1-05

100-300

30с964нжФХЛ

МА11022-ХЛ

30с915нжФ

МА 11024

 

4,0

30с915нжФХЛ

МА11024-ХЛ

30с976нжФ

30с976нж

6,3

В-В-05

250-630

30с976нжФХЛ

30с976нжХЛ

31с916нжБФ

31с916нжБ

10,0

31с916нжБФХЛ

31с916нжБХЛ

30с941нжФ

МА 11021

200

1,6

В-Б1-06

100-300

30с941нжФХЛ

МА11021-ХЛ

30с964нжФ

МА 11022

2,5

30с964нжФХЛ

МА11022-ХЛ

30с915нжФ

МА 11024

4,0

30с915нжФХЛ

МА11024-ХЛ

30с976нжФ

30с976нж

6,3

В-В-05

250-630

30с976нжФХЛ

30с976нжХЛ

31с916нжБФ

31с916нжБ

200/150

10,0

В-В-05

250-630

31с916нжБФХЛ

31с916нжБХЛ

30с941нжФ

МА 11021-07

250

1,6

В-Б1-06

100-300

30с941нжФХЛ

МА11021-07ХЛ

**30нж941нжФ

МА 11071-07

**30нж941нжФХЛ

МА11071-07ХЛ

30с964нжФ

МА11022

2,5

30с964нжФХЛ

МА 11022ХЛ

30с915нжФ

МА11024

4,0

В-В-06

250-630

30с915нжФХЛ

МА11024ХЛ

30с976нжФ

30с976нж

6,3

В-В-12

630-1000

30с976нжФХЛ

30с976нжХЛ

30с941нжФ

МА 11021-07

300

1,6

В-Б1-06

100-300

30с941нжФХЛ

МА11021-07ХЛ

**30нж941нжФ

МА 11071-07

**30нж941нжФХЛ

МА11071-07ХЛ

30с964нжФ

МА 11022-13

2,5

В-В-06

250-630

30с964нжФХЛ

МА11022-13ХЛ

***30с964нжФ

МА11022-07

***30с964нжФХЛ

МА11022-07ХЛ

30с915нжФ

ЗКЛПЭ-40

4,0

В-В-12

630-1000

30с915нжФХЛ

ЗКЛПЭ-40ХЛ

**30915нжФ

ЗКЛПЭ-40нж

**30нж915нжФХЛ

ЗКЛПЭ-40нжХЛ

30с976нжФ

30с976нж (ЗКЛПЭ-64)

6,3

В-Г-06

1000-2500

30с976нжФХЛ

30с976нжХЛ (ЗКПЛЭ-64ХЛ)

****30нж976нжФ

ЗКЛПЭ-64нж

30с941нжФ

МА 11021-07

350/300

 

1,6

В-Б1-06

100-300

30с941нжФХЛ

МА11021-07ХЛ

**30нж941нжФ

МА 11071-07

**30нж941нжФХЛ

МА11071-07ХЛ

30с915нжФ

ЗКЛПЭ-40

4,0

В-В-12

630-1000

30с915нжФХЛ

ЗКЛПЭ-40ХЛ

30с941нжФ

МА11021-07

400/300

1,6

В-Б1-06

100-300

30с941нжФХЛ

МА11021-07ХЛ

**30нж941нжФ

МА11031-07

**30нж941нжФХЛ

МА11031-07ХЛ

30с964нжФ

МА11022-13

2,5

В-В-06

250-630

30с964нжФХЛ

МА11022-13ХЛ

***30с964нжФ

МА11022-07

***30с964нжФХЛ

МА11022-07ХЛ

30с915нжФ

ЗКЛПЭ-40

4,0

В-В-12

630-1000

30с915нжФХЛ

ЗКЛПЭ-40ХЛ

30с976нжФ

30с976нж

6,3

В-Г-06

1000-2500

30с976нжФХЛ

30с976нжХЛ

30с941нжФ

МА11121-07

400

1,6

В-В-06

250-630

30с941нжФХЛ

МА11121-07ХЛ

30с964нжФ

МА11122-07

2,5

В-В-12

630-1000

30с964нжФХЛ

МА11122-07ХЛ

30с915нжФ

МА11124-07

4,0

В-Г-06

1000-2500

30с915нжФХЛ

МА11124-07ХЛ

30с976нжФ

МА11115-02

6,3

30с976нжФХЛ

МА1115-02ХЛ

30с941нжФ

30с941нж

500

1,6

В-В-12

630-1000

30с941нжФХЛ

30с941нжХЛ

30с964нжФ

30с964нж

2,5

В-Г-03

1000-2500

30с964нжФХЛ

30с964нжХЛ

30с941нжФ

МА11021-01

600

1,6

В-Г-06

1000-2500

30с941нжФХЛ

МА11021-01ХЛ

**30нж941нжФ

МА11021-07

30с927нжФ

30с927нж

2,5

30с927нжФХЛ

30с927нжФХЛ

**Задвижки рассчитаны на работу с водой, паром, нефтью и жидкими нефтепродуктами с температурой рабочей среды до +565°С. ***Задвижки рассчитаны на работу с жидким и газообразным аммиаком с температурой рабочей среды от -40 до +150°С. ****Задвижки рассчитаны на работу с нефтью и жидкими нефтепродуктами с температурой рабочей среды до +565°С. Задвижки клиновые DN600мм PN2,5 МПа изготавливаются с невыдвижным шпинделем и рассчитаны на работу с водой, паром, нефтью и жидкими нефтепродуктами рабочей среды до +300°С.

Таблица применения электроприводов на изделиях ОАО "ИКАР"

Наименования изделия

Ход запорного органа, мм/шаг резьбы шпинделя, мм/чисто оборотов

Мкр, Нм

Тип присоединения по ГОСТ 26-07-763-73

Тип электропривода (ТУ 28.14.20-001-43542160-2024)/время закрытия, (с)

ЗКЛ 13004 – 050, DN50, PN 16

ЗКЛ 13004 – 050-04, DN50, PN 25

ЗКЛ 13004 – 050-08, DN50, PN 40

47/4/12

6,0

А

Н-А2-05/30

В-А2-05/30

ЗКС 160 – 050М, DN50, PN 16

ЗКС 160 – 050М, DN50, PN 25

ЗКС 160 – 050М, DN50, PN 40

ЗКС 160 – 050М, DN50, PN 63

56/4/14

3,6

3,9

4,05

5,0

А

Н-А2-05/35

В-А2-05/35

ЗКС 160 – 050М, DN50, PN 100

56/4/14

6,2

А

Н-А2-11/35

В-А2-11/35

ЗКС 160 – 050М, DN50, PN 160

56/4/14

9,5

А

Н-А2-11/35

В-А2-11/35

ЗКЛ 13004 – 080М, DN80, PN16

ЗКЛ 13004 – 080М-04, DN80, PN25

ЗКЛ 13004 – 080М-08, DN80, PN40

91/5/18

11,0

Б

Н-Б1-05/22

В-б1-05/22

ЗКС 160 – 080М, DN80, PN16

ЗКС 160 – 080М, DN80, PN25

ЗКС 160 – 080М, DN80, PN40

88/5/18

2,8

4,6

4,6

А

Н-А2-05/45

В-А2-05/45

ЗКС 160 – 080М, DN80, PN63

88/5/18

6,2

А

Н-А2-11/45

В-А2-11/45

ЗКС 160 – 080М, DN80, PN100

88/5/18

11

Б

Н-Б1-08/43

В-Б1-08/43

ЗКС 160 – 080М, DN80, PN160

88/5/18

13,0

Б

Н-Б1-05/22

В-Б1-05/22

ЗКС 160 – 100, DN100, PN63

104/5/21

12,5

Б

Н-Б1-05/25

В-Б1-05/25

ЗКС 160 – 100, DN100, PN100

104/5/21

17,5

Б

Н-Б1-05/25

В-Б1-05/25

ЗКС 160 – 100, DN100, PN160

104/5/21

26

В

Н-В-05/26

В-В-05/26

ЗКС 160 – 100, DN100, PN200

104/5/21

32

В

Н-В-05/26

В-В-05/26

ЗКС 160 – 100, DN100, PN250

104/5/21

42

В

Н-В-05/26

В-В-05/26

ЗКС 160 – 150, DN150, PN63

154/6/26

26

В

Н-В-05/33

В-В-05/33

ЗКС 160 – 150, DN150, PN100

154/6/26

40

В

Н-В-05/33

В-В-05/33

ЗКС 160 – 150, DN150, PN160

154/6/26

62

В

Н-В-05/33

В-В-05/33

ЗКС 160 – 150, DN150, PN200

154/6/26

76

В

Н-В-18/26

В-В-11/26

ЗКС 160 – 150, DN150, PN250

154/6/26

96

В

Н-В-18/26

В-В-11/26

ТЛ 13001-080М, DN80, PN16

ТЛ 13001-080 – 08М, DN80, PN40

98/5/20

69,2

А

Н-А2-11/50

В-А2-11/50

ТЛ 13001-100М1, DN100, PN16

120/5/24

8,3

А

Н-А2-11/60

В-А2-11/60

ТЛ 13001-100М1-08, DN100,PN40

120/5/24

14,5

Б

Н-Б1-05/29

В-Б1-05/29

ТЛ 13001-150, DN150,PN16

162/5/32

14,5

Б

Н-Б1-05/40

В-Б1-05/40

ТЛ 13001-150-08, DN150,PN40

162/5/32

26,4

Б

Н-Б1-05/40

В-Б1-05/40

ТЛ 13001-100М, DN200,PN16

227/6/38

11,7

Б

Н-Б1-06/46

В-Б1-06/46

ТЛ 13001-200-08М, DN200,PN40

227/6/38

29,2

Б

Н-Б1-06/46

В-Б1-06/46

ТЛ 13001-250, DN250,PN16

276/6/46

22,2

Б

Н-Б1-06/55

В-Б1-06/55

ТЛ 13001-250-08, DN250,PN40

 

276/6/46

60

В

Н-В-06/58

В-В-06/58

ТЛ 13001-300, DN300,PN16

325/6/54

34

В

Н-В-06/68

В-В-06/68

ТЛ 13001-300-08, DN300,PN40

325/8/41

91,1

В

Н-В-19/51

В-В-12/51

ТЛ 13001-350М, DN350,PN16

ТЛ 13001-400М, DN400,PN16

379/8/47

45,6

В

Н-В-06/60

В-В-06/60

ТЛ 13001-350-08М, DN350,PN40

ТЛ 13001-400-08М, DN400,PN40

379/8/47

100

В

Н-В-19/60

В-В-12/60

КЗ 11005-200, DN200, PN160

242/8/30

160

Г

Н-Г-06/45

В-Г-06/45

КЗ 11006-200, DN200, PN250

242/8/30

225

Г

Н-Г-06/45

В-Г-06/45

КЗ 11005-250, DN250, PN160

274/8/34

250

Г

Н-Г-06/50

В-Г-06/50

КЗ 11006-250, DN250, PN250

274/8/34

390

Д

Н-Д-17/206

В-Д-08/206

КЗ 13008-100, DN100, PN63

117/5/23

12

Б

Н-Б1-05/29

В-Б1-05/29

КЗ 13008-150, DN150, PN63

166/5/33

42

В

Н-В-05/41

В-В-05/41

КЗ 13008-200, DN200, PN63

220/6/37

60

В

Н-В-05/45

В-В-05/45

КЗ 13001-300, DN300, PN16

325/6/54

31

В

Н-В-06/69

В-В-06/69

КЗ 13011-400, DN400, PN16

450/8/56

64,5

В

Н-В-19/70

В-В-12/70

КЗ 13013-400, DN400, PN25

450/8/56

100

В

Н-В-19/70

В-В-12/70

КЗ 13010-400, DN400, PN40

450/8/56

160

Г

Н-Г-06/84

В-Г-06/84

КЗ 13011-500, DN500, PN16

540/8/68

88

В

Н-В-19/85

В-В-12/85

КЗ 13013-500, DN500, PN25

540/8/68

137

Г

Н-Г-06/84

В-Г-06/84

КЗ 13010-500, DN500, PN40

540/8/68

218

Г

Н-Г-06/84

В-Г-06/84

КЗ 13029-250, DN250, PN63

280/8/35

81

В

Н-В-18/44

В-В-11/44

КЗ 13030-250, DN250, PN80

280/8/35

100

В

Н-В-18/44

В-В-11/44

КЗ 13029-300, DN300, PN63

336/8/42

112

Г

Н-Г-08/63

В-Г-08/63

КЗ 13030-300, DN300, PN80

336/8/42

156

Г

Н-Г-08/63

В-Г-08/63

КЗ 13029-350, DN350, PN63

368/8/46

155

Г

Н-Г-08/69

В-Г-08/69

КЗ 13029-350/80, DN350, PN80

368/8/46

197

Г

Н-Г-08/69

В-Г-08/69

КЗ 13029-400, DN400, PN63

420/8/53

224

Г

Н-Г-08/80

В-Г-08/80

КЗ 13029-400/80, DN400, PN80

420/8/53

250 (284)

Г

Н-Г-08/80

В-Г-08/80

КЗ 13029-500, DN500, PN63

540/10/54

518

Д

Н-Д-03/324

В-Д-03/324

КЗ 13030-500, DN500, PN80

540/10/54

650

Д

Н-Д-03/324

В-Д-03/234

КЗ 1507-500, DN500, PN10

512/8/64

52

В

Н-В-06/80

КЗ 1503-800, DN800, PN10

810/8/101

128

Г

Н-Г-03/303

КЗ 12010-500, DN500, PN2,5

510/6/85

18

Б

Н-Б1-06/102

В-Б1-06/102

КЗ 12010-600, DN600, PN2,5

612/6/102

25

В

Н-В-03/255

В-В-03/255

КЗ 12010-800, DN800, PN2,5

816/8/102

35

В

Н-В-03/255

В-В-03/255

КЗ 13020-600, DN600, PN2,5

624/8/78

36

В

Н-В-12/98

КЗ 13020-800, DN800, PN1,6

825/8/103

55

В

Н-В-12/129

КЗ 99167-500, DN500, PN10

КЗ 99167-600, DN600, PN10

240/6/40

(затвор – 90°)

13

13

Б

Н-Б1-12/48

КЗ 99167-800, DN800, PN10

240/6/40

(затвор – 90°)

16

Б

Н-Б1-12/48

Таблица применения электроприводов на изделиях ОАО "Ивано-Франковский арматурный завод"

Обозначение изделия

DN, мм

PN, Мпа

Тип электропривода

М кр., Н-м

19ч920р

200

0,005

А-18

25-60

19с939р

300

А-16

 

400

А-17

600

Н-Б1-11

100-300

800

1000

1200

19с940р

300

А-16

 

Н-Б1-11

100-300

600

800

1000

1200

19с941нж

450

0,007

800

Н-В-02

250-630

31с987нж, -1, -2, -3

300

1,6

В-В-03

2,5

31нж987нж

4,0

В-В-09

630-1000

31с987нж1

400

2,5

В-В-03

250-630

32с930р

200

Н-А2-05К

25-60

250

300

400

Н-Б1-09

100-300

500

Н-Б1-11

600

800

Н-В-06

250-630

32нж906р4, -5, -8, -9

400,600

0,63

Н-Б1-11

100-300

32нж906р4, -5, -8, -9

800,1000

Н-В-12

250-630

ИА 99017-1200-03

1200

1,0

Н-В-25

630-1000

32с910р

300

1,0

Н-А2-10К

60-100

32с910р1, -2, -3

400

Н-Б1-11

100-300

32с910р

600

32с910р1

32с910р

800

Н-В-12

250-630

32с910р1

32с910р

1000

Н-В-25

630-1000

32с910р1

32с910р

1200

32с910р1

30с911нж

250

8,0

Н-В-03

250-630

30с911нж1

30с911нж4, -5, -6, -7

В-В-03

30с911нжТ

Н-В-03

30с911нж1Т

30с911нж3Т, -4Т

В-В-03

30с911нжЭ

Н-В-03

30с911нж1Э

30с911нж4Э, -5Э, -6Э, -7Э

В-В-03

30с911нж

300

8,0

Н-В-19

630 – 1000

30с911нж1

30с911нж4, -5, -6, -7

В-В-12

30с911нжТ

Н-В-19

30с911нж1Т

30с911нж3Т, -4Т

В-В-12

30с911нжЭ

Н-В-19

30с911нж1Э

30с911нж4Э, -5Э, -6Э, -7Э

В-В-12

30с911нж

500

8,0

Н-Г-03

1000-2500

30с911нж1

30с911нж4, -5

В-Г-03

30с911нжТ

Н-Г-03

30с911нж1Т

30с911нж3Т, -4Т

В-Г-03

30с911нжЭ

Н-Г-03

30с911нж1Э

30с911нж4Э, -5Э

В-Г-03

30с907нж3, -4, -5

400

2,5

Н-В-25

630-1000

30с907нж9, -10, -11

В-В-09

30с907нжА

Н-В-25

30с907нж1А, -2А

30с907нж3, -4, -5

500

Н-Г-12

1000-2500

30с907нж9, -10, -11

В-Г-03

30с907нж12

Н-В-25

630-1000

30с907нжА

Н-Г-12

1000-2500

30с907нж1А, -2А

30с907нж3, -4, -5

600

2,5

30с907нж9, -10, -11

В-Г-03

30с907нж12

Н-Г-12

30с907нжА

30с907нж1А, -2А

30с907нж3, -4, -5

800

2,5

Н-Г-12

1000-2500

30с907нж9, -10, -11

В-Г-03

30с907нжА

Н-Г-12

30с907нж1А, -2А

30с907нж

1000

Н-Д-06

5000-8500

ЕУРИ 491625.003

150

4,0

В-А211К

60-100

ЕУРИ 491625.006

200

2,5

В-Б1-06

100-300

4,0

ЕУРИ 491635.002

250

2,5

4,0

ЕУРИ 491625.009

150

2,5

Н-А2-11К

60-100

ЕУРИ 491625.010

200

1,6

В-Б1-06

10-300

ЕУРИ 491625.011

250

ИА 11165-200

200

2,5

2-ПБ-16

100-250

ИА 11165-200-01

2-ОБ-16

ИА 11165-200-06

2-ПБ-16

ИА 11165-200-07

2-ОБ-16

ИА 11165-200-12

2-ПБ-16

ИА 11165-200-13

2-ОБ-16

ИА 11165-250

250

2-ПБ-16

ИА 11165-250-01

2-ОБ-16

ИА 11165-250-06

2-ПБ-16

ИА 11165-250-07

2-ОБ-16

ИА 11165-300

300

2-ПБ-17

ИА 11165-300-01

2-ОБ-17

ИА 11165-300-06

2-ПБ-17

ИА 11165-300-07

2-ОБ-17

ИА 11165-350

350

2-ПБ-18

ИА 11165-350-01

2-ОБ-18

ИА 11165-400

400

2-ПВ-16

250-630

ИА 11165-400-01

2-ОВ-16

ИА 11165-400-08

2-ПВ-16

ИА 11165-400-09

2-ОВ-16

ИА 11165-500

500

2,5

2-ПГ-16

1000-2500

ИА 11165-500-01

2-ОГ-16

ИА 11165-500-04

2-ПГ-16

ИА 11165-500-05

2-ОГ-16

ИА 11165-600, -06

600

2-ПГ-17

ИА 11165-600-01, -07

2-ОГ-17

ИА 01021-200

200

0,005

2-ОБ-01

100-250

ИА 01021-100-01

ИА 01021-400

400

2-ОБ-12

ИА 01021-400-01

ИА 01021-600

600

2-ОБ-03

ИА 01021-600-01

ИА 01021-1000

1000

2-ОБ-05

ИА 01021-1000-01

ИА 01022-400

400

0,006

2-ОБ-12

ИА 01017-200М, -01, -02, -03

200

0,005

2-ОБ-01

ИА 01017-300М, -01, -02, -03

300

ИА 01017-400М, -01, -02, -03

400

2-ОБ-03

ИА 01017-500М, -01, -02, -03

500

ИА 01017-600М, -01, -02, -03

600

0,005

2-ОБ-03

100-250

ИА 01017-700М, -01, -02, -03

700

2-ОБ-04

ИА 01017-800М, -01, -02, -03

800

ИА 01017-1000М, -01, -02, -03

1000

2-ОБ-05

ИА 01017-1200М, -01

1200

ИА 01017-1400М, -01

1400

2-ОБ-07

ЕУРИ 494464.006-01

600

2,5

2-ПБ-03

30с942нж

30нж942нж

150

1,0

Н-Б1-05

В-Б1-05

100-300

30с950нж

30нж950нж

1,6

30с942нж

30нж942нж

200

1,0

30с950нж

30нж950нж

1,6

30с942нж

30нж942нж

250

1,0

30с950нж

30нж950нж

1,6

30с942нж

30нж942нж

300

1,0

Н-Б1-06

В-Б1-06

30с950нж

30нж950нж

1,6

30с946нж

30нж946нж

400

0,6

30с942нж

30нж942нж

1,0

30с950нж

30нж950нж

1,6

30с946нж

30нж946нж

500

0,6

Н-В-06

В-В-06

250-630

30с946нж

30нж946нж

600

30с947нж

30нж947нж

800

0,4

30с947нж

30нж947нж

1000

30с947нж

30нж947нж

1200

Н-Г-26

В-Г-14

600-1400

30с914нж

30нж914нж

1400

0,16

30с911нж

1500

0,1

19с941нж

300

0,007

Н-Б1-28

100-300

400

Н-Б1-11

600

1000

Н-В-02

250-630

1200

Н-В-15

630-1000

19с941нж

200

0,005

А-18

 

300

А-16

400

А-17

600

Н-Б1-11

100-300

800

1000

1200

19нж939р

200

0,01

В-Б1-15

100-300

300

400

В-Б1-01

500

600

800

1000

В-Б1-02

1200

Таблица применения электроприводов на изделиях ОАО "Благовещенский арматурный завод"

Обозначение изделия

DN, мм

PN, МПа

Тип электропривода (ТУ 28.14.20-001-43542160-2024)

М кр., Н-м

30с941нж

30нж941нж

50

1,6

Н-А2-05

В-А2-05

25-60

30с915нж

30нж915нж

2,5

4,0

30с941нж

30нж941нж

80

1,6

Н-А2-11

В-А2-11

60-100

100

30с915нж

30нж915нж

80

0,5

4,0

100

2,5

4,0

30с941нж

30нж941нж

150

1,6

125

30с915нж

30нж915нж

150

2,5

4,0

Н-Б1-05

В-Б1-05

100-300

30с941нж

30нж941нж

200

1,6

30с915нж

30нж915нж

2,5

4,0

30с915нж

30нж915нж

250

2,5

Н-В-06

В-В-06

250-630

30с976нж

30нж976нж

50

6,3

Н-А2-11

В-А2-11

60-100

80

100

Н-Б1-05

В-Б1-05

100-300

150

30с949нж

30нж949нж

50

16,0

80

100

150

Н-В-18

В-В-11

630-1000

30с976нж

30нж976нж

200

6,3

Н-В-06

В-В-06

250-630

30с941нж

30нж941нж

250

1,6

Н-Б1-06

В-Б1-06

100-300

300

Н-В-06

В-В-06

250-630

400

30с915нж

30нж915нж

250

4,0

300

2,5

300

4,0

Н-В-12

В-В-12

630-1000

Таблица применения электроприводов на изделиях ОАО “Пензтяжпромарматура”

DN

PN, Мпа

Обозначение изделия

Мкр. Откр/закр, Н-м

Тип присоединения

Тип электропривода (ТУ 28.14.20-001-43542160-2024)

50

1,60

ПТ11055-050

30с941нж

13/17

М

Н-М-04

В-А2-05

2,50

ПТ11015-050

30с964нж

14/19

А

4,00

ПТ11083-050

30с915нж

16/23

80

1,60

ПТ11055-080

30с941нж

25/25

Н-А2-05

В-А2-05

2,50

ПТ11015-080

30с964нж

25/25

4,00

ПТ11083-80

30с915нж

30/30

100

1,60

ПТ11055-100

30с941нжБ

30/30

Н-А2-05

В-А2-05

2,50

ПТ11055-100

30с964нжБ

30/30

4,00

ПТ11083-100

30с915нжБ

45/45

6,40

ПТ11084-100

30с976нжБ

60/60

Н-А2-11

В-А2-11

150

1,00

ПТ11095-150М

53/50

Н-А2-05

В-А2-05

1,60

ПТ13070-150

30с950нж

51/54

ПТ19001-150

50/50

Н-А2-05

ПТ11055-150

30с941нжБ

100/95

Н-А2-10

В-А2-10

2,50

ПТ11015-150

30с964нжБ

90/90

4,00

ПТ11083-150

30с915нжБ

6,40

ПТ11084-150

30с976нжБ

150/140

Б

В-Б1-02

200

1,60

ПТ11055-200

30с941нжБ

120/100

Н-Б1-03

В-Б1-03

2,50

ПТ11015-200

30с964нжБ

160/140

4,00

ПТ11083-200

30с915нжБ

270/250

В

Н-В-06

В-В-06

ПТ11083-200М

30с915нжБ

240/220

Б

Н-Б1-03

В-Б1-03

6,40

ПТ11085-200

30с976нжБ

540/500

В

Н-В-02

В-В-02

1,00

ПТ11095-200

30с942нж

120/110

Б

Н-Б1-03

В-Б1-03

1,60

ПТ13070-200

30с950нж

110/100

ПТ19001-200

70/70

А

Н-А2-10

250/200

4,00

ПТ11083-250/200

30с915нж

270/250

В

Н-В-06

В-В-06

6,40

ПТ11085-250/200

30с976нж

540/500

250

1,00

ПТ11095-250

30с942нж

110/100

Б

Н-Б1-03

В-Б1-03

1,60

ПТ19001-250

200/200

Н-Б1-03

300/250

2,50

ПТ11015-300/250

30с964нж

270/250

В

Н-В-06

В-В-06

250

1,60

ПТ11055-250

30с941нжБ

180/150

Б

Н-Б1-03

В-Б1-03

2,50

ПТ11015-250

30с964нжБ

220/190

4,00

ПТ11083-250

30с915нжБ

400/350

В

Н-В-06

В-В-06

6,40

ПТ11085-250

30с976нжБ

716/699

Н-В-15

В-В-08

300

1,00

ПТ11095-300М

30с942нж

125/125

Б

Н-Б1-03

В-Б1-03

1,60

ПТ19001-300

240/240

Н-Б1-03

ПТ11055-300

30с941нжБ

210/170

Н-Б1-06

В-Б1-06

6,40

ПТ11084-300

30с976нж

1390/1330

Г

Н-Г-06

В-Г-06

2,50

ПТ11015-300

30с964нжБ

350/300

В

Н-В-06

В-В-06

4,00

ПТ11083-300

30с915нжБ

700/630

Н-В-19

В-В-12

350

1,60

ПТ11055-350-03

30с941нж

350/300

Н-В-06

В-В-06

400

1,60

ПТ11055-400

30с941нжБ

480/410

2,50

ПТ11015-400

30с964нжБ

783/664

Н-В-16

В-В-09

6,40

ПТ11009-400

30с976нжБ

2120/1900

Г

В-Г-06

1,00

ПТ110090-400

30с942р

458/391

В

Н-В-02

2,50

ПТ12003-400

30с927нж

900/740

Н-В-16

В-В-09

500

0,60

ПТ11096-400

30с946нж

150/120

Б

Н-Б1-03

В-Б1-03

1,00

ПТ11090-500

31с942р

670/550

В

Н-В-06

2,50

ПТ12003-500

30с927нж

2380/1910

Г

Н-Г-03

В-Г-03

6,40

ПТ12004-500

30с975нж

5150/6500

Д

Н-Д-03

В-Д-03

4,00

ПТ11002-500

30с915нжБ

2375/2075

Г

Н-Г-03

В-Г-03

0,60

ПТ11096-500М

30с946нж

290/250

В

Н-В-06

В-В-06

1,60

ПТ11055-500

30с941нжБ

770/640

Н-В-16

В-В-09

2,50

ПТ11004-500

30с964нжБ

1440/1120

Г

Н-Г-03

В-Г-03

4,00

ПТ11083-500

30с915нжБ

2375/2075

500

8,00

ПТ11009-500

30с976нжБ

5800/5150

Д

Н-Д-03

В-Д-03

6,40

ПТ11009-500М

30с919нжБ

2460/2050

Г

В-Г-06

8,00

ПТ11009-500М1

30с919нжБ

4350/3880

Д

В-Д-09

600/500

2,50

ПТ12003-600/500

30с927нж

2380/1910

Г

Н-Г-03

В-Г-03

600

1,00

ПТ11090-600

31с942р

880/780

В

Н-В-19

0,60

ПТ11096-600М

30с946нж1

380/300

Н-В-06

В-В-06

1,00

ПТ12005-600

30ч930бр

700/500

Н-В-16

2,50

ПТ12003-600

30с927нж

2500/2150

Г

Н-Г-03

ПТ11015-600

30с964нж

1940/1630

Н-Г-03

В-Г-03

700

8,00

ПТ11001-700

8000/6300

Д

В-Д-06

ПТ11009-700

30с919нжБ

9000/6300

800

2,50

ПТ11015-800

30с964нжБ

4900/3980

Н-Д-15

В-Д-09

8,00

ПТ11009-800М

30с976нжБ

10000/9000

В-Д-06

6,4

ПТ11009-800

30с919нжБ

8700/7300

1,00

ПТ11090-800

31с942р

1980/1590

Г

Н-Г-06

2,50

ПТ12003-800

30с927нж

5780/5700

Д

Н-Д-03

В-Д-03

0,40

ПТ11097-800М

30с947нж

530/490

В

Н-В-06

В-В-06

1,60

ПТ13067-800

30с950нж

2250/2050

Г

Н-Г-06

В-Г-06

1000/800

2,50

ПТ11015-1000/800

30с964нж

4900/3980

Д

Н-Д-15

В-Д-09

1000

0,40

ПТ11097-1000М

30с947нж1

840/660

В

Н-В-19

В-В-12

0,25

ПТ12001-1000

30ч925бр1

840/531

Н-В-06

1,00

ПТ12005-1000

30ч930бр1

2250/1200

Г

Н-Г-06

ПТ11090-1000

30с952р

5000/4800

Д

Н-Д-15

1,60

ПТ11001-1000

30с941нжБ

6480/5840

Н-Д-03

В-Д-03

2,50

ПТ11015-1000

30с964нжБ

10000/8940

Н-Д-09

В-Д-06

8,00

ПТ11009-1000

30с919нжБ

9900/7999

В-Д-06

8,00

1009-1000М

30С919нжБ

9660/7900

1200

1,60

ПТ11001-1200

941нжБ

10000/8400

Н-Д-09

В-Д-06

2,50

ПТ11015-1200

30с964нжБ

1200

6,40

ПТ11009-1200

30с976нжБ

10000/8800

Д

 

ПТ11009-1200М

30с919нжБ

10000/8800

 

В-Д-06

0,40

ПТ11097-1200М

30с947нж1

1440/1120

Г

Н-Г-06

В-Г-06

0,25

ПТ12001-1200

30ч925бр1

1440/920

Н-Г-06

1,00

ПТ12002-1200

30ч930бр

4901/3300

Д

Н-Д-15

1400

0,16

ПТ13004-1400М

30с914нж1

1250/1000

Г

Н-Г-06

В-Г-06

0,25

ПТ12001-1400

30ч925бр1

2350/1430

1,00

ПТ12002-1400

30ч937бр1

5650/5120

Д

Н-Д-03

ПТ1304-1500М/1400

30с911нж1

1250/1000

Г

Н-Г-06

В-Г-06

1500

0,10

ПТ1304-1500М

30с911нж1

1780/1270

1600

0,25

ПТ12001-1600

30ч925бр1

2310/1420

Н-Г-06

1,00

ПТ12002-1600

30ч930бр1

7900/5480

Д

Н-Д-03

В-Д-03

2000

0,25

ПТ12001-2000

30чс925бр

4380/2490

Н-Д-15

В-Д-09



Обсудить задачу
Обсудить задачу
Отправьте заявку — с вами свяжется инженер:
  • Обсудить технические вопросы
  • Подготовить коммерческое предложение
  • При необходимости договориться о встрече
  • Организовать экскурсию на производство