Электроприводы типа Д

Компания «Тульские Машины» предлагает вам купить электропривод типа Д в двух модификациях: НД и ВД, имеющие обычное и взрывобезопасное соединения. Наши электроприводы — это гарантия безопасности даже на территориях объектов, имеющих взрывоопасные зоны. Электропривод типа Д разработан специально для регулирования уровня подачи вязких, жидких и газообразных веществ по трубопроводным магистралям. За точность регулировки заслонки отвечает электрический двигатель. В зависимости от его параметров, он может работать в сетях 220-660 Вольт с частотой от 50 до 60 Герц. Двигатель, который использует электропривод ВД, имеет защитную систему, предотвращающую выход из строя в связи с перегревом. На каждый электропривод НД распространяется официальная гарантия. Кроме того, мы готовы отправить электропривод Д в любой регион России и стран СНГ. Вы всегда сможете проконсультироваться у наших менеджеров по телефонам на сайте компании о всей выпускаемой продукции, способах ее доставки и, конечно, купить электроприводы типа Д (электропривод НД или электропривод ВД).

Варианты исполнения

Электропривод НД общепромышленного исполнения с червячно-цилиндрическим редуктором и двухсторонней муфтой. Электропривод ВД взрывозащищенного исполнения с червячно-цилиндрическим редуктором и двухсторонней муфтой.

Электроприводы НД

Электропривод НД применяется в качестве управляющего элемента для запорной арматуры. Данный привод применяется в трубопроводах общепромышленного назначения, и может устанавливаться в различных помещениях, под навесами или же под открытым воздухом. Есть возможность контролировать положение задвижки автоматически путем подключения микропроцессорного контроллера. Электроприводы общепромышленного назначения используются на предприятиях, которые относятся к классу взрывобезопасных объектов. Конструкция привода позволяет защитить его от проникновения пыли, влаги или других негативных внешних воздействий. В зависимости от агрессивности среды, где будет использоваться оборудование, можно подобрать привод под необходимые нужды, не перегружая его дополнительными защитными конструктивными элементами. Электроприводы НД типа используются в системах подачи горячей или холодной воды, в паровых сетях и системах пожаротушения, в химической и пищевой отрасли. Электроприводы НД используются в трубопроводах, использующих негорючие вещества.

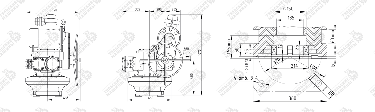
Схема и основные размеры электропривода НД

 

К основным элементам, из которых состоит электропривод можно отнести следующие:

  • электродвигатель – создает вращательный момент и является основным силовым агрегатом;
  • червячный или планетарный механизм непосредственно передает вращение на шток вентиля;
  • моментный выключатель позволяет отключить двигатель при возникновении избыточной нагрузки на штоке для предотвращения поломки запорной арматуры;
  • концевые и промежуточные выключатели дают возможность отключить привод в любой момент, что позволяет регулировать положение вентиля задвижки;
  • цифровые и аналоговые индикаторы положения вентиля или аварийного состояния, потенциометры и термодатчики для обеспечения дополнительной защиты и информирования оператора.
Приобретение привода позволяет обеспечить полный контроль производственного процесса, как в полуавтоматическом, так и в полностью автоматическом режиме. Весь процесс может контролироваться оператором удаленно с пульта управления. Монтаж и настройка работы электропривода не доставляет особых трудностей.

Электроприводы ВД

Электроприводы ВД взрывозащищённые, имеющие 2-х стороннюю муфту, используются как управляющая часть запорных трубопроводных арматур. Данный привод подлежит установке в разных зданиях, под навесами, в различных сооружениях, так и на улиц. Защищённый от взрыва привод, может быть установлен в местах, где есть взрывоопасность, а также в установке, что классифицируется по правилу устройств электрических установок, со всеми соответствиями с маркированием защиты от взрыва. Работоспособность электропривода ВД способна поддерживаться в системе, имеющей автоматическое управление, включая микропроцессорную технику. Из главных особенностей, которыми обладает электропривод ВД от производителя «Тульские Машины», можно отметить:
  • Может устанавливаться на трубопроводах в удобных позициях.
  • Рассчитан на работоспособность в повторно-кратковременных режимах, где длительность работоспособности (ПВ) – 25%.
  • Питание происходит от трёхфазной сети 380 В, и током 50 Гц.
  • Может быть укомплектован электрическим двигателем, обладающим частотой 50, 60 Гц, и иметь напряжение 220 – 660 В.
В собранный электропривод типа Д входит:
  • Электрический двигатель.
  • Червячно-цилиндрический редуктор.
  • Узел моментной муфты.
  • Узел путевых выключателей.
  • Узел ручного дублёра, что имеет маховик.
  • Выходной вал, имеющий кулачки или квадрат, чтобы подсоединять привод к запорным органам арматур и деталей корпуса.
Дабы герметизировать внутреннюю полость электроприводов там, где имеются движимые и недвижимые стыки частей, используют уплотняющие приспособления. Важно знать, что электропривод ВД имеет исполнение типа Г, так как на выходной вал осуществляется подсоединение планетарного редуктора. Его работа происходит по аналогии с электроприводами типа Б, В, Г.

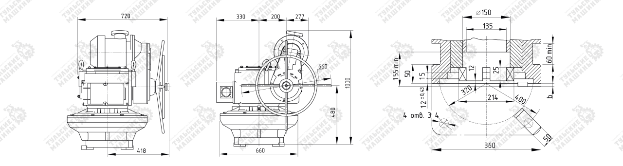
Схема и основные размеры электропривода ВД

 

Приводы способны:

  • Открыть и закрыть проточные части арматур, с помощью пульта, а также останавливать запорный орган в любых промежуточных положениях.
  • Автоматически отключать электродвигатель посредством муфты предельных моментов, когда запорное устройство достигает одного из окончательных положений, а также в моменты, когда произошло аварийное заедание подвижной части, в момент открытия или закрытия.
  • Сигнализировать на управляющий пульт о крайнем положении запорных устройств.
  • В автоматическом режиме переключать привод в состояние автоматического управления.
  • Электрически блокировать электроприводы ВД, когда работают другие механизмы и агрегаты.
  • Регулировать частотность крутящего момента.

Таблица применения электроприводов на изделиях ОАО "Тяжпромарматура".

Тип изделия Условное обозначение DN, мм PN, МПа Тип электропривода (ТУ 28.14.20-001-43542160-2024) М кр., Н-м
30с941нжФ МА 11021 80 1,6 В-А2-11К 60-100
30с941нжФХЛ МА 11021-ХЛ
30с964нжФ МА 11022 2,5
30с964нжФХЛ МА11022-ХЛ
30с915нжФ МА 11024 4,0
30с915нжФХЛ МА11024-ХЛ
30с941нжФ МА 11021 100 1,6 В-А2-11К 60-100
30с941нжФХЛ МА11021-ХЛ
30с964нжФ МА 11022 2,5
30с964нжФХЛ МА11022-ХЛ
30с915нжФ МА11024 4,0
30с915нжФХЛ МА11024-ХЛ
30с976нжФ 30с976нж 6,3 В-Б1-05 100-300
30с967нжХФЛ 30с976нжХЛ
31с916нжБФ 31с916нжБ 10,0
31с916нжБФХЛ 31с916нжБХЛ
30с941нжФ МА 11021 150 1,6 А-Ф2-11К 60-100
30с941нжФХЛ МА11021-ХЛ
30с964нжФ МА 11022 2,5 В-Б1-05 100-300
30с964нжФХЛ МА11022-ХЛ
30с915нжФ МА 11024   4,0
30с915нжФХЛ МА11024-ХЛ
30с976нжФ 30с976нж 6,3 В-В-05 250-630
30с976нжФХЛ 30с976нжХЛ
31с916нжБФ 31с916нжБ 10,0
31с916нжБФХЛ 31с916нжБХЛ
30с941нжФ МА 11021 200 1,6 В-Б1-06 100-300
30с941нжФХЛ МА11021-ХЛ
30с964нжФ МА 11022 2,5
30с964нжФХЛ МА11022-ХЛ
30с915нжФ МА 11024 4,0
30с915нжФХЛ МА11024-ХЛ
30с976нжФ 30с976нж 6,3 В-В-05 250-630
30с976нжФХЛ 30с976нжХЛ
31с916нжБФ 31с916нжБ 200/150 10,0 В-В-05 250-630
31с916нжБФХЛ 31с916нжБХЛ
30с941нжФ МА 11021-07 250 1,6 В-Б1-06 100-300
30с941нжФХЛ МА11021-07ХЛ
**30нж941нжФ МА 11071-07
**30нж941нжФХЛ МА11071-07ХЛ
30с964нжФ МА11022 2,5
30с964нжФХЛ МА 11022ХЛ
30с915нжФ МА11024 4,0 В-В-06 250-630
30с915нжФХЛ МА11024ХЛ
30с976нжФ 30с976нж 6,3 В-В-12 630-1000
30с976нжФХЛ 30с976нжХЛ
30с941нжФ МА 11021-07 300 1,6 В-Б1-06 100-300
30с941нжФХЛ МА11021-07ХЛ
**30нж941нжФ МА 11071-07
**30нж941нжФХЛ МА11071-07ХЛ
30с964нжФ МА 11022-13 2,5 В-В-06 250-630
30с964нжФХЛ МА11022-13ХЛ
***30с964нжФ МА11022-07
***30с964нжФХЛ МА11022-07ХЛ
30с915нжФ ЗКЛПЭ-40 4,0 В-В-12 630-1000
30с915нжФХЛ ЗКЛПЭ-40ХЛ
**30915нжФ ЗКЛПЭ-40нж
**30нж915нжФХЛ ЗКЛПЭ-40нжХЛ
30с976нжФ 30с976нж (ЗКЛПЭ-64) 6,3 В-Г-06 1000-2500
30с976нжФХЛ 30с976нжХЛ (ЗКПЛЭ-64ХЛ)
****30нж976нжФ ЗКЛПЭ-64нж
30с941нжФ МА 11021-07 350/300   1,6 В-Б1-06 100-300
30с941нжФХЛ МА11021-07ХЛ
**30нж941нжФ МА 11071-07
**30нж941нжФХЛ МА11071-07ХЛ
30с915нжФ ЗКЛПЭ-40 4,0 В-В-12 630-1000
30с915нжФХЛ ЗКЛПЭ-40ХЛ
30с941нжФ МА11021-07 400/300 1,6 В-Б1-06 100-300
30с941нжФХЛ МА11021-07ХЛ
**30нж941нжФ МА11031-07
**30нж941нжФХЛ МА11031-07ХЛ
30с964нжФ МА11022-13 2,5 В-В-06 250-630
30с964нжФХЛ МА11022-13ХЛ
***30с964нжФ МА11022-07
***30с964нжФХЛ МА11022-07ХЛ
30с915нжФ ЗКЛПЭ-40 4,0 В-В-12 630-1000
30с915нжФХЛ ЗКЛПЭ-40ХЛ
30с976нжФ 30с976нж 6,3 В-Г-06 1000-2500
30с976нжФХЛ 30с976нжХЛ
30с941нжФ МА11121-07 400 1,6 В-В-06 250-630
30с941нжФХЛ МА11121-07ХЛ
30с964нжФ МА11122-07 2,5 В-В-12 630-1000
30с964нжФХЛ МА11122-07ХЛ
30с915нжФ МА11124-07 4,0 В-Г-06 1000-2500
30с915нжФХЛ МА11124-07ХЛ
30с976нжФ МА11115-02 6,3
30с976нжФХЛ МА1115-02ХЛ
30с941нжФ 30с941нж 500 1,6 В-В-12 630-1000
30с941нжФХЛ 30с941нжХЛ
30с964нжФ 30с964нж 2,5 В-Г-03 1000-2500
30с964нжФХЛ 30с964нжХЛ
30с941нжФ МА11021-01 600 1,6 В-Г-06 1000-2500
30с941нжФХЛ МА11021-01ХЛ
**30нж941нжФ МА11021-07
30с927нжФ 30с927нж 2,5
30с927нжФХЛ 30с927нжФХЛ
**Задвижки рассчитаны на работу с водой, паром, нефтью и жидкими нефтепродуктами с температурой рабочей среды до +565°С. ***Задвижки рассчитаны на работу с жидким и газообразным аммиаком с температурой рабочей среды от -40 до +150°С. ****Задвижки рассчитаны на работу с нефтью и жидкими нефтепродуктами с температурой рабочей среды до +565°С. Задвижки клиновые DN600мм PN2,5 МПа изготавливаются с невыдвижным шпинделем и рассчитаны на работу с водой, паром, нефтью и жидкими нефтепродуктами рабочей среды до +300°С.

Таблица применения электроприводов на изделиях ОАО "ИКАР"

Наименования изделия Ход запорного органа, мм/шаг резьбы шпинделя, мм/чисто оборотов Мкр, Нм Тип присоединения по ГОСТ 26-07-763-73 Тип электропривода (ТУ 28.14.20-001-43542160-2024)/время закрытия, (с)
ЗКЛ 13004 - 050, DN50, PN 16 ЗКЛ 13004 - 050-04, DN50, PN 25 ЗКЛ 13004 - 050-08, DN50, PN 40 47/4/12 6,0 А Н-А2-05/30
В-А2-05/30
ЗКС 160 - 050М, DN50, PN 16 ЗКС 160 - 050М, DN50, PN 25 ЗКС 160 - 050М, DN50, PN 40 ЗКС 160 - 050М, DN50, PN 63 56/4/14 3,6 3,9 4,05 5,0 А Н-А2-05/35
В-А2-05/35
ЗКС 160 - 050М, DN50, PN 100 56/4/14 6,2 А Н-А2-11/35
В-А2-11/35
ЗКС 160 - 050М, DN50, PN 160 56/4/14 9,5 А Н-А2-11/35
В-А2-11/35
ЗКЛ 13004 - 080М, DN80, PN16 ЗКЛ 13004 - 080М-04, DN80, PN25 ЗКЛ 13004 - 080М-08, DN80, PN40 91/5/18 11,0 Б Н-Б1-05/22
В-б1-05/22
ЗКС 160 - 080М, DN80, PN16 ЗКС 160 - 080М, DN80, PN25 ЗКС 160 - 080М, DN80, PN40 88/5/18 2,8 4,6 4,6 А Н-А2-05/45
В-А2-05/45
ЗКС 160 - 080М, DN80, PN63 88/5/18 6,2 А Н-А2-11/45
В-А2-11/45
ЗКС 160 - 080М, DN80, PN100 88/5/18 11 Б Н-Б1-08/43
В-Б1-08/43
ЗКС 160 - 080М, DN80, PN160 88/5/18 13,0 Б Н-Б1-05/22
В-Б1-05/22
ЗКС 160 - 100, DN100, PN63 104/5/21 12,5 Б Н-Б1-05/25
В-Б1-05/25
ЗКС 160 - 100, DN100, PN100 104/5/21 17,5 Б Н-Б1-05/25
В-Б1-05/25
ЗКС 160 - 100, DN100, PN160 104/5/21 26 В Н-В-05/26
В-В-05/26
ЗКС 160 - 100, DN100, PN200 104/5/21 32 В Н-В-05/26
В-В-05/26
ЗКС 160 - 100, DN100, PN250 104/5/21 42 В Н-В-05/26
В-В-05/26
ЗКС 160 - 150, DN150, PN63 154/6/26 26 В Н-В-05/33
В-В-05/33
ЗКС 160 - 150, DN150, PN100 154/6/26 40 В Н-В-05/33
В-В-05/33
ЗКС 160 - 150, DN150, PN160 154/6/26 62 В Н-В-05/33
В-В-05/33
ЗКС 160 - 150, DN150, PN200 154/6/26 76 В Н-В-18/26
В-В-11/26
ЗКС 160 - 150, DN150, PN250 154/6/26 96 В Н-В-18/26
В-В-11/26
ТЛ 13001-080М, DN80, PN16 ТЛ 13001-080 - 08М, DN80, PN40 98/5/20 69,2 А Н-А2-11/50
В-А2-11/50
ТЛ 13001-100М1, DN100, PN16 120/5/24 8,3 А Н-А2-11/60
В-А2-11/60
ТЛ 13001-100М1-08, DN100,PN40 120/5/24 14,5 Б Н-Б1-05/29
В-Б1-05/29
ТЛ 13001-150, DN150,PN16 162/5/32 14,5 Б Н-Б1-05/40
В-Б1-05/40
ТЛ 13001-150-08, DN150,PN40 162/5/32 26,4 Б Н-Б1-05/40
В-Б1-05/40
ТЛ 13001-100М, DN200,PN16 227/6/38 11,7 Б Н-Б1-06/46
В-Б1-06/46
ТЛ 13001-200-08М, DN200,PN40 227/6/38 29,2 Б Н-Б1-06/46
В-Б1-06/46
ТЛ 13001-250, DN250,PN16 276/6/46 22,2 Б Н-Б1-06/55
В-Б1-06/55
ТЛ 13001-250-08, DN250,PN40   276/6/46 60 В Н-В-06/58
В-В-06/58
ТЛ 13001-300, DN300,PN16 325/6/54 34 В Н-В-06/68
В-В-06/68
ТЛ 13001-300-08, DN300,PN40 325/8/41 91,1 В Н-В-19/51
В-В-12/51
ТЛ 13001-350М, DN350,PN16 ТЛ 13001-400М, DN400,PN16 379/8/47 45,6 В Н-В-06/60
В-В-06/60
ТЛ 13001-350-08М, DN350,PN40 ТЛ 13001-400-08М, DN400,PN40 379/8/47 100 В Н-В-19/60
В-В-12/60
КЗ 11005-200, DN200, PN160 242/8/30 160 Г Н-Г-06/45
В-Г-06/45
КЗ 11006-200, DN200, PN250 242/8/30 225 Г Н-Г-06/45
В-Г-06/45
КЗ 11005-250, DN250, PN160 274/8/34 250 Г Н-Г-06/50
В-Г-06/50
КЗ 11006-250, DN250, PN250 274/8/34 390 Д Н-Д-17/206
В-Д-08/206
КЗ 13008-100, DN100, PN63 117/5/23 12 Б Н-Б1-05/29
В-Б1-05/29
КЗ 13008-150, DN150, PN63 166/5/33 42 В Н-В-05/41
В-В-05/41
КЗ 13008-200, DN200, PN63 220/6/37 60 В Н-В-05/45
В-В-05/45
КЗ 13001-300, DN300, PN16 325/6/54 31 В Н-В-06/69
В-В-06/69
КЗ 13011-400, DN400, PN16 450/8/56 64,5 В Н-В-19/70
В-В-12/70
КЗ 13013-400, DN400, PN25 450/8/56 100 В Н-В-19/70
В-В-12/70
КЗ 13010-400, DN400, PN40 450/8/56 160 Г Н-Г-06/84
В-Г-06/84
КЗ 13011-500, DN500, PN16 540/8/68 88 В Н-В-19/85
В-В-12/85
КЗ 13013-500, DN500, PN25 540/8/68 137 Г Н-Г-06/84
В-Г-06/84
КЗ 13010-500, DN500, PN40 540/8/68 218 Г Н-Г-06/84
В-Г-06/84
КЗ 13029-250, DN250, PN63 280/8/35 81 В Н-В-18/44
В-В-11/44
КЗ 13030-250, DN250, PN80 280/8/35 100 В Н-В-18/44
В-В-11/44
КЗ 13029-300, DN300, PN63 336/8/42 112 Г Н-Г-08/63
В-Г-08/63
КЗ 13030-300, DN300, PN80 336/8/42 156 Г Н-Г-08/63
В-Г-08/63
КЗ 13029-350, DN350, PN63 368/8/46 155 Г Н-Г-08/69
В-Г-08/69
КЗ 13029-350/80, DN350, PN80 368/8/46 197 Г Н-Г-08/69
В-Г-08/69
КЗ 13029-400, DN400, PN63 420/8/53 224 Г Н-Г-08/80
В-Г-08/80
КЗ 13029-400/80, DN400, PN80 420/8/53 250 (284) Г Н-Г-08/80
В-Г-08/80
КЗ 13029-500, DN500, PN63 540/10/54 518 Д Н-Д-03/324
В-Д-03/324
КЗ 13030-500, DN500, PN80 540/10/54 650 Д Н-Д-03/324
В-Д-03/234
КЗ 1507-500, DN500, PN10 512/8/64 52 В Н-В-06/80
КЗ 1503-800, DN800, PN10 810/8/101 128 Г Н-Г-03/303
КЗ 12010-500, DN500, PN2,5 510/6/85 18 Б Н-Б1-06/102
В-Б1-06/102
КЗ 12010-600, DN600, PN2,5 612/6/102 25 В Н-В-03/255
В-В-03/255
КЗ 12010-800, DN800, PN2,5 816/8/102 35 В Н-В-03/255
В-В-03/255
КЗ 13020-600, DN600, PN2,5 624/8/78 36 В Н-В-12/98
КЗ 13020-800, DN800, PN1,6 825/8/103 55 В Н-В-12/129
КЗ 99167-500, DN500, PN10 КЗ 99167-600, DN600, PN10 240/6/40 (затвор - 90°) 13 13 Б Н-Б1-12/48
КЗ 99167-800, DN800, PN10 240/6/40 (затвор - 90°) 16 Б Н-Б1-12/48

Таблица применения электроприводов на изделиях ОАО "Ивано-Франковский арматурный завод"

Обозначение изделия DN, мм PN, Мпа Тип электропривода М кр., Н-м
19ч920р 200 0,005 А-18 25-60
19с939р 300 А-16  
400 А-17
600 Н-Б1-11 100-300
800
1000
1200
19с940р 300 А-16  
Н-Б1-11 100-300
600
800
1000
1200
19с941нж 450 0,007
800 Н-В-02 250-630
31с987нж, -1, -2, -3 300 1,6 В-В-03
2,5
31нж987нж 4,0 В-В-09 630-1000
31с987нж1 400 2,5 В-В-03 250-630
32с930р 200 Н-А2-05К 25-60
250
300
400 Н-Б1-09 100-300
500 Н-Б1-11
600
800 Н-В-06 250-630
32нж906р4, -5, -8, -9 400,600 0,63 Н-Б1-11 100-300
32нж906р4, -5, -8, -9 800,1000 Н-В-12 250-630
ИА 99017-1200-03 1200 1,0 Н-В-25 630-1000
32с910р 300 1,0 Н-А2-10К 60-100
32с910р1, -2, -3 400 Н-Б1-11 100-300
32с910р 600
32с910р1
32с910р 800 Н-В-12 250-630
32с910р1
32с910р 1000 Н-В-25 630-1000
32с910р1
32с910р 1200
32с910р1
30с911нж 250 8,0 Н-В-03 250-630
30с911нж1
30с911нж4, -5, -6, -7 В-В-03
30с911нжТ Н-В-03
30с911нж1Т
30с911нж3Т, -4Т В-В-03
30с911нжЭ Н-В-03
30с911нж1Э
30с911нж4Э, -5Э, -6Э, -7Э В-В-03
30с911нж 300 8,0 Н-В-19 630 - 1000
30с911нж1
30с911нж4, -5, -6, -7 В-В-12
30с911нжТ Н-В-19
30с911нж1Т
30с911нж3Т, -4Т В-В-12
30с911нжЭ Н-В-19
30с911нж1Э
30с911нж4Э, -5Э, -6Э, -7Э В-В-12
30с911нж 500 8,0 Н-Г-03 1000-2500
30с911нж1
30с911нж4, -5 В-Г-03
30с911нжТ Н-Г-03
30с911нж1Т
30с911нж3Т, -4Т В-Г-03
30с911нжЭ Н-Г-03
30с911нж1Э
30с911нж4Э, -5Э В-Г-03
30с907нж3, -4, -5 400 2,5 Н-В-25 630-1000
30с907нж9, -10, -11 В-В-09
30с907нжА Н-В-25
30с907нж1А, -2А
30с907нж3, -4, -5 500 Н-Г-12 1000-2500
30с907нж9, -10, -11 В-Г-03
30с907нж12 Н-В-25 630-1000
30с907нжА Н-Г-12 1000-2500
30с907нж1А, -2А
30с907нж3, -4, -5 600 2,5
30с907нж9, -10, -11 В-Г-03
30с907нж12 Н-Г-12
30с907нжА
30с907нж1А, -2А
30с907нж3, -4, -5 800 2,5 Н-Г-12 1000-2500
30с907нж9, -10, -11 В-Г-03
30с907нжА Н-Г-12
30с907нж1А, -2А
30с907нж 1000 Н-Д-06 5000-8500
ЕУРИ 491625.003 150 4,0 В-А211К 60-100
ЕУРИ 491625.006 200 2,5 В-Б1-06 100-300
4,0
ЕУРИ 491635.002 250 2,5
4,0
ЕУРИ 491625.009 150 2,5 Н-А2-11К 60-100
ЕУРИ 491625.010 200 1,6 В-Б1-06 10-300
ЕУРИ 491625.011 250
ИА 11165-200 200 2,5 2-ПБ-16 100-250
ИА 11165-200-01 2-ОБ-16
ИА 11165-200-06 2-ПБ-16
ИА 11165-200-07 2-ОБ-16
ИА 11165-200-12 2-ПБ-16
ИА 11165-200-13 2-ОБ-16
ИА 11165-250 250 2-ПБ-16
ИА 11165-250-01 2-ОБ-16
ИА 11165-250-06 2-ПБ-16
ИА 11165-250-07 2-ОБ-16
ИА 11165-300 300 2-ПБ-17
ИА 11165-300-01 2-ОБ-17
ИА 11165-300-06 2-ПБ-17
ИА 11165-300-07 2-ОБ-17
ИА 11165-350 350 2-ПБ-18
ИА 11165-350-01 2-ОБ-18
ИА 11165-400 400 2-ПВ-16 250-630
ИА 11165-400-01 2-ОВ-16
ИА 11165-400-08 2-ПВ-16
ИА 11165-400-09 2-ОВ-16
ИА 11165-500 500 2,5 2-ПГ-16 1000-2500
ИА 11165-500-01 2-ОГ-16
ИА 11165-500-04 2-ПГ-16
ИА 11165-500-05 2-ОГ-16
ИА 11165-600, -06 600 2-ПГ-17
ИА 11165-600-01, -07 2-ОГ-17
ИА 01021-200 200 0,005 2-ОБ-01 100-250
ИА 01021-100-01
ИА 01021-400 400 2-ОБ-12
ИА 01021-400-01
ИА 01021-600 600 2-ОБ-03
ИА 01021-600-01
ИА 01021-1000 1000 2-ОБ-05
ИА 01021-1000-01
ИА 01022-400 400 0,006 2-ОБ-12
ИА 01017-200М, -01, -02, -03 200 0,005 2-ОБ-01
ИА 01017-300М, -01, -02, -03 300
ИА 01017-400М, -01, -02, -03 400 2-ОБ-03
ИА 01017-500М, -01, -02, -03 500
ИА 01017-600М, -01, -02, -03 600 0,005 2-ОБ-03 100-250
ИА 01017-700М, -01, -02, -03 700 2-ОБ-04
ИА 01017-800М, -01, -02, -03 800
ИА 01017-1000М, -01, -02, -03 1000 2-ОБ-05
ИА 01017-1200М, -01 1200
ИА 01017-1400М, -01 1400 2-ОБ-07
ЕУРИ 494464.006-01 600 2,5 2-ПБ-03
30с942нж 30нж942нж 150 1,0 Н-Б1-05 В-Б1-05 100-300
30с950нж 30нж950нж 1,6
30с942нж 30нж942нж 200 1,0
30с950нж 30нж950нж 1,6
30с942нж 30нж942нж 250 1,0
30с950нж 30нж950нж 1,6
30с942нж 30нж942нж 300 1,0 Н-Б1-06 В-Б1-06
30с950нж 30нж950нж 1,6
30с946нж 30нж946нж 400 0,6
30с942нж 30нж942нж 1,0
30с950нж 30нж950нж 1,6
30с946нж 30нж946нж 500 0,6 Н-В-06 В-В-06 250-630
30с946нж 30нж946нж 600
30с947нж 30нж947нж 800 0,4
30с947нж 30нж947нж 1000
30с947нж 30нж947нж 1200 Н-Г-26 В-Г-14 600-1400
30с914нж 30нж914нж 1400 0,16
30с911нж 1500 0,1
19с941нж 300 0,007 Н-Б1-28 100-300
400 Н-Б1-11
600
1000 Н-В-02 250-630
1200 Н-В-15 630-1000
19с941нж 200 0,005 А-18  
300 А-16
400 А-17
600 Н-Б1-11 100-300
800
1000
1200
19нж939р 200 0,01 В-Б1-15 100-300
300
400 В-Б1-01
500
600
800
1000 В-Б1-02
1200

Таблица применения электроприводов на изделиях ОАО "Благовещенский арматурный завод"

Обозначение изделия DN, мм PN, МПа Тип электропривода (ТУ 28.14.20-001-43542160-2024) М кр., Н-м
30с941нж 30нж941нж 50 1,6 Н-А2-05 В-А2-05 25-60
30с915нж 30нж915нж 2,5
4,0
30с941нж 30нж941нж 80 1,6 Н-А2-11 В-А2-11 60-100
100
30с915нж 30нж915нж 80 0,5
4,0
100 2,5
4,0
30с941нж 30нж941нж 150 1,6
125
30с915нж 30нж915нж 150 2,5 4,0 Н-Б1-05 В-Б1-05 100-300
30с941нж 30нж941нж 200 1,6
30с915нж 30нж915нж 2,5 4,0
30с915нж 30нж915нж 250 2,5 Н-В-06 В-В-06 250-630
30с976нж 30нж976нж 50 6,3 Н-А2-11 В-А2-11 60-100
80
100 Н-Б1-05 В-Б1-05 100-300
150
30с949нж 30нж949нж 50 16,0
80
100
150 Н-В-18 В-В-11 630-1000
30с976нж 30нж976нж 200 6,3 Н-В-06 В-В-06 250-630
30с941нж 30нж941нж 250 1,6 Н-Б1-06 В-Б1-06 100-300
300 Н-В-06 В-В-06 250-630
400
30с915нж 30нж915нж 250 4,0
300 2,5
300 4,0 Н-В-12 В-В-12 630-1000

Таблица применения электроприводов на изделиях ОАО "Пензтяжпромарматура"

DN PN, Мпа Обозначение изделия Мкр. Откр/закр, Н-м Тип присоединения Тип электропривода (ТУ 28.14.20-001-43542160-2024)
50 1,60 ПТ11055-050 30с941нж 13/17 М Н-М-04 В-А2-05
2,50 ПТ11015-050 30с964нж 14/19 А
4,00 ПТ11083-050 30с915нж 16/23
80 1,60 ПТ11055-080 30с941нж 25/25 Н-А2-05 В-А2-05
2,50 ПТ11015-080 30с964нж 25/25
4,00 ПТ11083-80 30с915нж 30/30
100 1,60 ПТ11055-100 30с941нжБ 30/30 Н-А2-05 В-А2-05
2,50 ПТ11055-100 30с964нжБ 30/30
4,00 ПТ11083-100 30с915нжБ 45/45
6,40 ПТ11084-100 30с976нжБ 60/60 Н-А2-11 В-А2-11
150 1,00 ПТ11095-150М 53/50 Н-А2-05 В-А2-05
1,60 ПТ13070-150 30с950нж 51/54
ПТ19001-150 50/50 Н-А2-05
ПТ11055-150 30с941нжБ 100/95 Н-А2-10 В-А2-10
2,50 ПТ11015-150 30с964нжБ 90/90
4,00 ПТ11083-150 30с915нжБ
6,40 ПТ11084-150 30с976нжБ 150/140 Б В-Б1-02
200 1,60 ПТ11055-200 30с941нжБ 120/100 Н-Б1-03 В-Б1-03
2,50 ПТ11015-200 30с964нжБ 160/140
4,00 ПТ11083-200 30с915нжБ 270/250 В Н-В-06 В-В-06
ПТ11083-200М 30с915нжБ 240/220 Б Н-Б1-03 В-Б1-03
6,40 ПТ11085-200 30с976нжБ 540/500 В Н-В-02 В-В-02
1,00 ПТ11095-200 30с942нж 120/110 Б Н-Б1-03 В-Б1-03
1,60 ПТ13070-200 30с950нж 110/100
ПТ19001-200 70/70 А Н-А2-10
250/200 4,00 ПТ11083-250/200 30с915нж 270/250 В Н-В-06 В-В-06
6,40 ПТ11085-250/200 30с976нж 540/500
250 1,00 ПТ11095-250 30с942нж 110/100 Б Н-Б1-03 В-Б1-03
1,60 ПТ19001-250 200/200 Н-Б1-03
300/250 2,50 ПТ11015-300/250 30с964нж 270/250 В Н-В-06 В-В-06
250 1,60 ПТ11055-250 30с941нжБ 180/150 Б Н-Б1-03 В-Б1-03
2,50 ПТ11015-250 30с964нжБ 220/190
4,00 ПТ11083-250 30с915нжБ 400/350 В Н-В-06 В-В-06
6,40 ПТ11085-250 30с976нжБ 716/699 Н-В-15 В-В-08
300 1,00 ПТ11095-300М 30с942нж 125/125 Б Н-Б1-03 В-Б1-03
1,60 ПТ19001-300 240/240 Н-Б1-03
ПТ11055-300 30с941нжБ 210/170 Н-Б1-06 В-Б1-06
6,40 ПТ11084-300 30с976нж 1390/1330 Г Н-Г-06 В-Г-06
2,50 ПТ11015-300 30с964нжБ 350/300 В Н-В-06 В-В-06
4,00 ПТ11083-300 30с915нжБ 700/630 Н-В-19 В-В-12
350 1,60 ПТ11055-350-03 30с941нж 350/300 Н-В-06 В-В-06
400 1,60 ПТ11055-400 30с941нжБ 480/410
2,50 ПТ11015-400 30с964нжБ 783/664 Н-В-16 В-В-09
6,40 ПТ11009-400 30с976нжБ 2120/1900 Г В-Г-06
1,00 ПТ110090-400 30с942р 458/391 В Н-В-02
2,50 ПТ12003-400 30с927нж 900/740 Н-В-16 В-В-09
500 0,60 ПТ11096-400 30с946нж 150/120 Б Н-Б1-03 В-Б1-03
1,00 ПТ11090-500 31с942р 670/550 В Н-В-06
2,50 ПТ12003-500 30с927нж 2380/1910 Г Н-Г-03 В-Г-03
6,40 ПТ12004-500 30с975нж 5150/6500 Д Н-Д-03 В-Д-03
4,00 ПТ11002-500 30с915нжБ 2375/2075 Г Н-Г-03 В-Г-03
0,60 ПТ11096-500М 30с946нж 290/250 В Н-В-06 В-В-06
1,60 ПТ11055-500 30с941нжБ 770/640 Н-В-16 В-В-09
2,50 ПТ11004-500 30с964нжБ 1440/1120 Г Н-Г-03 В-Г-03
4,00 ПТ11083-500 30с915нжБ 2375/2075
500 8,00 ПТ11009-500 30с976нжБ 5800/5150 Д Н-Д-03 В-Д-03
6,40 ПТ11009-500М 30с919нжБ 2460/2050 Г В-Г-06
8,00 ПТ11009-500М1 30с919нжБ 4350/3880 Д В-Д-09
600/500 2,50 ПТ12003-600/500 30с927нж 2380/1910 Г Н-Г-03 В-Г-03
600 1,00 ПТ11090-600 31с942р 880/780 В Н-В-19
0,60 ПТ11096-600М 30с946нж1 380/300 Н-В-06 В-В-06
1,00 ПТ12005-600 30ч930бр 700/500 Н-В-16
2,50 ПТ12003-600 30с927нж 2500/2150 Г Н-Г-03
ПТ11015-600 30с964нж 1940/1630 Н-Г-03 В-Г-03
700 8,00 ПТ11001-700 8000/6300 Д В-Д-06
ПТ11009-700 30с919нжБ 9000/6300
800 2,50 ПТ11015-800 30с964нжБ 4900/3980 Н-Д-15 В-Д-09
8,00 ПТ11009-800М 30с976нжБ 10000/9000 В-Д-06
6,4 ПТ11009-800 30с919нжБ 8700/7300
1,00 ПТ11090-800 31с942р 1980/1590 Г Н-Г-06
2,50 ПТ12003-800 30с927нж 5780/5700 Д Н-Д-03 В-Д-03
0,40 ПТ11097-800М 30с947нж 530/490 В Н-В-06 В-В-06
1,60 ПТ13067-800 30с950нж 2250/2050 Г Н-Г-06 В-Г-06
1000/800 2,50 ПТ11015-1000/800 30с964нж 4900/3980 Д Н-Д-15 В-Д-09
1000 0,40 ПТ11097-1000М 30с947нж1 840/660 В Н-В-19 В-В-12
0,25 ПТ12001-1000 30ч925бр1 840/531 Н-В-06
1,00 ПТ12005-1000 30ч930бр1 2250/1200 Г Н-Г-06
ПТ11090-1000 30с952р 5000/4800 Д Н-Д-15
1,60 ПТ11001-1000 30с941нжБ 6480/5840 Н-Д-03 В-Д-03
2,50 ПТ11015-1000 30с964нжБ 10000/8940 Н-Д-09 В-Д-06
8,00 ПТ11009-1000 30с919нжБ 9900/7999 В-Д-06
8,00 1009-1000М 30С919нжБ 9660/7900
1200 1,60 ПТ11001-1200 941нжБ 10000/8400 Н-Д-09 В-Д-06
2,50 ПТ11015-1200 30с964нжБ
1200 6,40 ПТ11009-1200 30с976нжБ 10000/8800 Д  
ПТ11009-1200М 30с919нжБ 10000/8800   В-Д-06
0,40 ПТ11097-1200М 30с947нж1 1440/1120 Г Н-Г-06 В-Г-06
0,25 ПТ12001-1200 30ч925бр1 1440/920 Н-Г-06
1,00 ПТ12002-1200 30ч930бр 4901/3300 Д Н-Д-15
1400 0,16 ПТ13004-1400М 30с914нж1 1250/1000 Г Н-Г-06 В-Г-06
0,25 ПТ12001-1400 30ч925бр1 2350/1430
1,00 ПТ12002-1400 30ч937бр1 5650/5120 Д Н-Д-03
ПТ1304-1500М/1400 30с911нж1 1250/1000 Г Н-Г-06 В-Г-06
1500 0,10 ПТ1304-1500М 30с911нж1 1780/1270
1600 0,25 ПТ12001-1600 30ч925бр1 2310/1420 Н-Г-06
1,00 ПТ12002-1600 30ч930бр1 7900/5480 Д Н-Д-03 В-Д-03
2000 0,25 ПТ12001-2000 30чс925бр 4380/2490 Н-Д-15 В-Д-09


Обсудить задачу
Обсудить задачу
Отправьте заявку — с вами свяжется инженер:
  • Обсудить технические вопросы
  • Подготовить коммерческое предложение
  • При необходимости договориться о встрече
  • Организовать экскурсию на производство