Электроприводы типа Г

Завод «Тульские Машины» запустил в производство электропривод типа Г в двух модификациях: электропривод НГ и ВГ. Мы занимаемся реализацией запорного оборудования для любых трубопроводов вне зависимости от сложности конфигурации. Электроприводы устанавливаются для того, чтобы контролировать положение заслонки для подачи химических веществ: газа, нефтепродуктов, топлива, горячей воды. В корпусе находится электрический двигатель. В зависимости от типа электросети, заказчик может выбрать нужную конфигурацию электропривода. Можно эксплуатировать, допустим, электроприводы типа Г в сетях, где напряжение составляет 220-660 Вольт, а частота колеблется в пределах 50-60 Герц. На все электроприводы «Тульских Машин» предоставляется официальная гарантия от производителя. Все они предварительно проверяются специалистами на предмет наличия технических дефектов.

Варианты исполнения

Электропривод НГ общепромышленного исполнения с червячно-цилиндрическим редуктором и двухсторонней муфтой. Электропривод ВГ взрывозащищенного исполнения с червячно-цилиндрическим редуктором и двухсторонней муфтой.
Вы всегда сможете получить консультацию у наших менеджеров по телефонам на сайте компании о всей выпускаемой продукции, способах ее доставки и, конечно, купить электроприводы типа Г (электропривод НГ или электропривод ВГ).

Электроприводы ВГ

Электропривод ВГ от компании «Тульские Машины» – это устройство, защищенное от взрыва, что позволяет устанавливать его в любых местах, даже в самых взрывоопасных. Он предназначается для того, чтобы управлять задвижками, с помощью которых открывается и закрывается трубопровод. Такой электропривод для запорной трубопроводной арматуры имеет соответственную маркировку IExdIIBT4 или 2ExdeIICT4 и должно применяться на производстве согласно утвержденным правилам. В комплект электропривода ВГ входит:
  • двигатель, работающий от электросети;
  • редуктор;
  • муфта;
  • переключатели;
  • приспособление, с помощью которого производится действие вручную;
  • выходной вал с приспособлениями, что помогают, для присоединить устройство к крышкам, что служат запором;
  • корпуса.

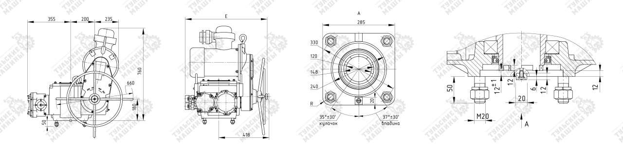
Схема и основные размеры электропривода ВГ

 

О качестве устройства говорят следующие характеристики:

  • электроприводы ВГ выполняют свою работу с помощью управления самим устройством;
  • прикрепить его можно любым способом;
  • они приспособлены для работы, которая повторяется через небольшой промежуток времени;
  • функционирует электропривод с помощью трехфазного переменного тока, напряжение которого 380 В и частотой в 50 Гц;
  • по желанию заказчика в комплект устройства входят двигатели, что работают от переменного тока в 220 В или 260 В, частота которого 50 Гц и 60 Гц соответственно.
Электропривод Г типа марки ВГ от производителя «Тульские Машины» выполняет следующие функции:
  • открывает и закрывает проточную часть трубопровода;
  • останавливает движимый орган арматуры, в каком бы то ни было положении;
  • останавливает двигатель, если достигнуто положения «открыто» или «закрыто»;
  • останавливает двигатель во время аварийной ситуации;
  • обеспечивает предупреждение, что появляется на экране в то время, когда открывается или закрывается трубопровод;
  • по потребности самостоятельно переключается из режима переключения силами оператора в управление автоматом;
  • блокирует работу других устройств;
  • регулирует работу крутящейся части;
  • на расстоянии управляет закрывающими деталями трубопровода с места, где перебывает оператор.

Электроприводы НГ

Электроприводы НГ предназначены для работы совместно с устройствами автоматики для обеспечения непрерывных технологических процессов. Устанавливаться эти устройства могут как внутри помещений, так и на открытых пространствах (при условии обеспечения непопадания жидкостей на электродвигатель и другие элементы привода). Такой электропривод используется для работы в повторно-кратковременном режиме при работе с устройствами автоматики. В своей конструкции устройства имеют встроенные в редукторы датчики путевых выключателей, которые обеспечивают полное закрытие или открытие механической задвижки. Устройство электрического привода также имеет дублирующий механизм электроуправления. Электродвигатель соединяется с механизмом привода при помощи специальной технологической муфты. Чтобы электропривод НГ не вышел из строя от перегрева, внутри реализована специальная защитная система. Она срабатывает при достижении критического температурного показателя. После нормализации температуры электропривод можно использовать снова. Электроприводы НГ для запорной трубопроводной арматуры имеют следующие технические характеристики:
  • Напряжение питание от сети 380 вольт, по трёхфазной линии.
  • Мощность от 3-х кВт.
  • Двигатели, применяемые в конструкции электропривода, асинхронного типа.

Схема и основные размеры электропривода НГ

 

Электропривод НГ обеспечивает следующие режимы работы:

  • Открывание и закрывание проточных каналов в запорной арматуре с операторского пульта управления, и дополнительно остановку механизма в любом положении работы.
  • Сигнализирование положения крайних точек привода *Закрыто* или * Открыто* с передачей на операторский пульт.
  • Автоматику для принудительного отключения электродвигателя при крайних положениях либо при заедании в конструкции механизма (это реализовано при помощи муфты предельного момента вращения).
  • Сигнализацию на дисплеи управляющего устройства.
  • Автоматическое переключение на ручное управление электроприводом НГ.
  • Электрическая блокировка электропривода без остановки других механизмов.
  • Регулирование частоты вращения электропривода.
  • Электронный указатель положения уровня закрытия или открытия механизма привода задвижки, с передачей информации на операторский пульт.
В некоторых случаях электроприводы Г типа поставляются к заказчикам с установленным переменным сопротивлением для имитации датчика положения. Электроприводы НГ применяются в запорно-регулирующей арматуре, служащей для передачи различных жидких компонентов. Применяется данный электропривод в химической промышленности (органическая, неорганическая химия),в нефтеперерабатывающей отрасли. Также можно применять для передачи воды или пара и нейтральных жидкостей.

Таблица применения электроприводов на изделиях ОАО "Тяжпромарматура".

Тип изделия Условное обозначение DN, мм PN, МПа Тип электропривода (ТУ 28.14.20-001-43542160-2024) М кр., Н-м
30с941нжФ МА 11021 80 1,6 В-А2-11К 60-100
30с941нжФХЛ МА 11021-ХЛ
30с964нжФ МА 11022 2,5
30с964нжФХЛ МА11022-ХЛ
30с915нжФ МА 11024 4,0
30с915нжФХЛ МА11024-ХЛ
30с941нжФ МА 11021 100 1,6 В-А2-11К 60-100
30с941нжФХЛ МА11021-ХЛ
30с964нжФ МА 11022 2,5
30с964нжФХЛ МА11022-ХЛ
30с915нжФ МА11024 4,0
30с915нжФХЛ МА11024-ХЛ
30с976нжФ 30с976нж 6,3 В-Б1-05 100-300
30с967нжХФЛ 30с976нжХЛ
31с916нжБФ 31с916нжБ 10,0
31с916нжБФХЛ 31с916нжБХЛ
30с941нжФ МА 11021 150 1,6 А-Ф2-11К 60-100
30с941нжФХЛ МА11021-ХЛ
30с964нжФ МА 11022 2,5 В-Б1-05 100-300
30с964нжФХЛ МА11022-ХЛ
30с915нжФ МА 11024   4,0
30с915нжФХЛ МА11024-ХЛ
30с976нжФ 30с976нж 6,3 В-В-05 250-630
30с976нжФХЛ 30с976нжХЛ
31с916нжБФ 31с916нжБ 10,0
31с916нжБФХЛ 31с916нжБХЛ
30с941нжФ МА 11021 200 1,6 В-Б1-06 100-300
30с941нжФХЛ МА11021-ХЛ
30с964нжФ МА 11022 2,5
30с964нжФХЛ МА11022-ХЛ
30с915нжФ МА 11024 4,0
30с915нжФХЛ МА11024-ХЛ
30с976нжФ 30с976нж 6,3 В-В-05 250-630
30с976нжФХЛ 30с976нжХЛ
31с916нжБФ 31с916нжБ 200/150 10,0 В-В-05 250-630
31с916нжБФХЛ 31с916нжБХЛ
30с941нжФ МА 11021-07 250 1,6 В-Б1-06 100-300
30с941нжФХЛ МА11021-07ХЛ
**30нж941нжФ МА 11071-07
**30нж941нжФХЛ МА11071-07ХЛ
30с964нжФ МА11022 2,5
30с964нжФХЛ МА 11022ХЛ
30с915нжФ МА11024 4,0 В-В-06 250-630
30с915нжФХЛ МА11024ХЛ
30с976нжФ 30с976нж 6,3 В-В-12 630-1000
30с976нжФХЛ 30с976нжХЛ
30с941нжФ МА 11021-07 300 1,6 В-Б1-06 100-300
30с941нжФХЛ МА11021-07ХЛ
**30нж941нжФ МА 11071-07
**30нж941нжФХЛ МА11071-07ХЛ
30с964нжФ МА 11022-13 2,5 В-В-06 250-630
30с964нжФХЛ МА11022-13ХЛ
***30с964нжФ МА11022-07
***30с964нжФХЛ МА11022-07ХЛ
30с915нжФ ЗКЛПЭ-40 4,0 В-В-12 630-1000
30с915нжФХЛ ЗКЛПЭ-40ХЛ
**30915нжФ ЗКЛПЭ-40нж
**30нж915нжФХЛ ЗКЛПЭ-40нжХЛ
30с976нжФ 30с976нж (ЗКЛПЭ-64) 6,3 В-Г-06 1000-2500
30с976нжФХЛ 30с976нжХЛ (ЗКПЛЭ-64ХЛ)
****30нж976нжФ ЗКЛПЭ-64нж
30с941нжФ МА 11021-07 350/300   1,6 В-Б1-06 100-300
30с941нжФХЛ МА11021-07ХЛ
**30нж941нжФ МА 11071-07
**30нж941нжФХЛ МА11071-07ХЛ
30с915нжФ ЗКЛПЭ-40 4,0 В-В-12 630-1000
30с915нжФХЛ ЗКЛПЭ-40ХЛ
30с941нжФ МА11021-07 400/300 1,6 В-Б1-06 100-300
30с941нжФХЛ МА11021-07ХЛ
**30нж941нжФ МА11031-07
**30нж941нжФХЛ МА11031-07ХЛ
30с964нжФ МА11022-13 2,5 В-В-06 250-630
30с964нжФХЛ МА11022-13ХЛ
***30с964нжФ МА11022-07
***30с964нжФХЛ МА11022-07ХЛ
30с915нжФ ЗКЛПЭ-40 4,0 В-В-12 630-1000
30с915нжФХЛ ЗКЛПЭ-40ХЛ
30с976нжФ 30с976нж 6,3 В-Г-06 1000-2500
30с976нжФХЛ 30с976нжХЛ
30с941нжФ МА11121-07 400 1,6 В-В-06 250-630
30с941нжФХЛ МА11121-07ХЛ
30с964нжФ МА11122-07 2,5 В-В-12 630-1000
30с964нжФХЛ МА11122-07ХЛ
30с915нжФ МА11124-07 4,0 В-Г-06 1000-2500
30с915нжФХЛ МА11124-07ХЛ
30с976нжФ МА11115-02 6,3
30с976нжФХЛ МА1115-02ХЛ
30с941нжФ 30с941нж 500 1,6 В-В-12 630-1000
30с941нжФХЛ 30с941нжХЛ
30с964нжФ 30с964нж 2,5 В-Г-03 1000-2500
30с964нжФХЛ 30с964нжХЛ
30с941нжФ МА11021-01 600 1,6 В-Г-06 1000-2500
30с941нжФХЛ МА11021-01ХЛ
**30нж941нжФ МА11021-07
30с927нжФ 30с927нж 2,5
30с927нжФХЛ 30с927нжФХЛ
**Задвижки рассчитаны на работу с водой, паром, нефтью и жидкими нефтепродуктами с температурой рабочей среды до +565°С. ***Задвижки рассчитаны на работу с жидким и газообразным аммиаком с температурой рабочей среды от -40 до +150°С. ****Задвижки рассчитаны на работу с нефтью и жидкими нефтепродуктами с температурой рабочей среды до +565°С. Задвижки клиновые DN600мм PN2,5 МПа изготавливаются с невыдвижным шпинделем и рассчитаны на работу с водой, паром, нефтью и жидкими нефтепродуктами рабочей среды до +300°С.

Таблица применения электроприводов на изделиях ОАО "ИКАР"

Наименования изделия Ход запорного органа, мм/шаг резьбы шпинделя, мм/чисто оборотов Мкр, Нм Тип присоединения по ГОСТ 26-07-763-73 Тип электропривода (ТУ 28.14.20-001-43542160-2024)/время закрытия, (с)
ЗКЛ 13004 - 050, DN50, PN 16 ЗКЛ 13004 - 050-04, DN50, PN 25 ЗКЛ 13004 - 050-08, DN50, PN 40 47/4/12 6,0 А Н-А2-05/30
В-А2-05/30
ЗКС 160 - 050М, DN50, PN 16 ЗКС 160 - 050М, DN50, PN 25 ЗКС 160 - 050М, DN50, PN 40 ЗКС 160 - 050М, DN50, PN 63 56/4/14 3,6 3,9 4,05 5,0 А Н-А2-05/35
В-А2-05/35
ЗКС 160 - 050М, DN50, PN 100 56/4/14 6,2 А Н-А2-11/35
В-А2-11/35
ЗКС 160 - 050М, DN50, PN 160 56/4/14 9,5 А Н-А2-11/35
В-А2-11/35
ЗКЛ 13004 - 080М, DN80, PN16 ЗКЛ 13004 - 080М-04, DN80, PN25 ЗКЛ 13004 - 080М-08, DN80, PN40 91/5/18 11,0 Б Н-Б1-05/22
В-б1-05/22
ЗКС 160 - 080М, DN80, PN16 ЗКС 160 - 080М, DN80, PN25 ЗКС 160 - 080М, DN80, PN40 88/5/18 2,8 4,6 4,6 А Н-А2-05/45
В-А2-05/45
ЗКС 160 - 080М, DN80, PN63 88/5/18 6,2 А Н-А2-11/45
В-А2-11/45
ЗКС 160 - 080М, DN80, PN100 88/5/18 11 Б Н-Б1-08/43
В-Б1-08/43
ЗКС 160 - 080М, DN80, PN160 88/5/18 13,0 Б Н-Б1-05/22
В-Б1-05/22
ЗКС 160 - 100, DN100, PN63 104/5/21 12,5 Б Н-Б1-05/25
В-Б1-05/25
ЗКС 160 - 100, DN100, PN100 104/5/21 17,5 Б Н-Б1-05/25
В-Б1-05/25
ЗКС 160 - 100, DN100, PN160 104/5/21 26 В Н-В-05/26
В-В-05/26
ЗКС 160 - 100, DN100, PN200 104/5/21 32 В Н-В-05/26
В-В-05/26
ЗКС 160 - 100, DN100, PN250 104/5/21 42 В Н-В-05/26
В-В-05/26
ЗКС 160 - 150, DN150, PN63 154/6/26 26 В Н-В-05/33
В-В-05/33
ЗКС 160 - 150, DN150, PN100 154/6/26 40 В Н-В-05/33
В-В-05/33
ЗКС 160 - 150, DN150, PN160 154/6/26 62 В Н-В-05/33
В-В-05/33
ЗКС 160 - 150, DN150, PN200 154/6/26 76 В Н-В-18/26
В-В-11/26
ЗКС 160 - 150, DN150, PN250 154/6/26 96 В Н-В-18/26
В-В-11/26
ТЛ 13001-080М, DN80, PN16 ТЛ 13001-080 - 08М, DN80, PN40 98/5/20 69,2 А Н-А2-11/50
В-А2-11/50
ТЛ 13001-100М1, DN100, PN16 120/5/24 8,3 А Н-А2-11/60
В-А2-11/60
ТЛ 13001-100М1-08, DN100,PN40 120/5/24 14,5 Б Н-Б1-05/29
В-Б1-05/29
ТЛ 13001-150, DN150,PN16 162/5/32 14,5 Б Н-Б1-05/40
В-Б1-05/40
ТЛ 13001-150-08, DN150,PN40 162/5/32 26,4 Б Н-Б1-05/40
В-Б1-05/40
ТЛ 13001-100М, DN200,PN16 227/6/38 11,7 Б Н-Б1-06/46
В-Б1-06/46
ТЛ 13001-200-08М, DN200,PN40 227/6/38 29,2 Б Н-Б1-06/46
В-Б1-06/46
ТЛ 13001-250, DN250,PN16 276/6/46 22,2 Б Н-Б1-06/55
В-Б1-06/55
ТЛ 13001-250-08, DN250,PN40   276/6/46 60 В Н-В-06/58
В-В-06/58
ТЛ 13001-300, DN300,PN16 325/6/54 34 В Н-В-06/68
В-В-06/68
ТЛ 13001-300-08, DN300,PN40 325/8/41 91,1 В Н-В-19/51
В-В-12/51
ТЛ 13001-350М, DN350,PN16 ТЛ 13001-400М, DN400,PN16 379/8/47 45,6 В Н-В-06/60
В-В-06/60
ТЛ 13001-350-08М, DN350,PN40 ТЛ 13001-400-08М, DN400,PN40 379/8/47 100 В Н-В-19/60
В-В-12/60
КЗ 11005-200, DN200, PN160 242/8/30 160 Г Н-Г-06/45
В-Г-06/45
КЗ 11006-200, DN200, PN250 242/8/30 225 Г Н-Г-06/45
В-Г-06/45
КЗ 11005-250, DN250, PN160 274/8/34 250 Г Н-Г-06/50
В-Г-06/50
КЗ 11006-250, DN250, PN250 274/8/34 390 Д Н-Д-17/206
В-Д-08/206
КЗ 13008-100, DN100, PN63 117/5/23 12 Б Н-Б1-05/29
В-Б1-05/29
КЗ 13008-150, DN150, PN63 166/5/33 42 В Н-В-05/41
В-В-05/41
КЗ 13008-200, DN200, PN63 220/6/37 60 В Н-В-05/45
В-В-05/45
КЗ 13001-300, DN300, PN16 325/6/54 31 В Н-В-06/69
В-В-06/69
КЗ 13011-400, DN400, PN16 450/8/56 64,5 В Н-В-19/70
В-В-12/70
КЗ 13013-400, DN400, PN25 450/8/56 100 В Н-В-19/70
В-В-12/70
КЗ 13010-400, DN400, PN40 450/8/56 160 Г Н-Г-06/84
В-Г-06/84
КЗ 13011-500, DN500, PN16 540/8/68 88 В Н-В-19/85
В-В-12/85
КЗ 13013-500, DN500, PN25 540/8/68 137 Г Н-Г-06/84
В-Г-06/84
КЗ 13010-500, DN500, PN40 540/8/68 218 Г Н-Г-06/84
В-Г-06/84
КЗ 13029-250, DN250, PN63 280/8/35 81 В Н-В-18/44
В-В-11/44
КЗ 13030-250, DN250, PN80 280/8/35 100 В Н-В-18/44
В-В-11/44
КЗ 13029-300, DN300, PN63 336/8/42 112 Г Н-Г-08/63
В-Г-08/63
КЗ 13030-300, DN300, PN80 336/8/42 156 Г Н-Г-08/63
В-Г-08/63
КЗ 13029-350, DN350, PN63 368/8/46 155 Г Н-Г-08/69
В-Г-08/69
КЗ 13029-350/80, DN350, PN80 368/8/46 197 Г Н-Г-08/69
В-Г-08/69
КЗ 13029-400, DN400, PN63 420/8/53 224 Г Н-Г-08/80
В-Г-08/80
КЗ 13029-400/80, DN400, PN80 420/8/53 250 (284) Г Н-Г-08/80
В-Г-08/80
КЗ 13029-500, DN500, PN63 540/10/54 518 Д Н-Д-03/324
В-Д-03/324
КЗ 13030-500, DN500, PN80 540/10/54 650 Д Н-Д-03/324
В-Д-03/234
КЗ 1507-500, DN500, PN10 512/8/64 52 В Н-В-06/80
КЗ 1503-800, DN800, PN10 810/8/101 128 Г Н-Г-03/303
КЗ 12010-500, DN500, PN2,5 510/6/85 18 Б Н-Б1-06/102
В-Б1-06/102
КЗ 12010-600, DN600, PN2,5 612/6/102 25 В Н-В-03/255
В-В-03/255
КЗ 12010-800, DN800, PN2,5 816/8/102 35 В Н-В-03/255
В-В-03/255
КЗ 13020-600, DN600, PN2,5 624/8/78 36 В Н-В-12/98
КЗ 13020-800, DN800, PN1,6 825/8/103 55 В Н-В-12/129
КЗ 99167-500, DN500, PN10 КЗ 99167-600, DN600, PN10 240/6/40 (затвор - 90°) 13 13 Б Н-Б1-12/48
КЗ 99167-800, DN800, PN10 240/6/40 (затвор - 90°) 16 Б Н-Б1-12/48

Таблица применения электроприводов на изделиях ОАО "Ивано-Франковский арматурный завод"

Обозначение изделия DN, мм PN, Мпа Тип электропривода М кр., Н-м
19ч920р 200 0,005 А-18 25-60
19с939р 300 А-16  
400 А-17
600 Н-Б1-11 100-300
800
1000
1200
19с940р 300 А-16  
Н-Б1-11 100-300
600
800
1000
1200
19с941нж 450 0,007
800 Н-В-02 250-630
31с987нж, -1, -2, -3 300 1,6 В-В-03
2,5
31нж987нж 4,0 В-В-09 630-1000
31с987нж1 400 2,5 В-В-03 250-630
32с930р 200 Н-А2-05К 25-60
250
300
400 Н-Б1-09 100-300
500 Н-Б1-11
600
800 Н-В-06 250-630
32нж906р4, -5, -8, -9 400,600 0,63 Н-Б1-11 100-300
32нж906р4, -5, -8, -9 800,1000 Н-В-12 250-630
ИА 99017-1200-03 1200 1,0 Н-В-25 630-1000
32с910р 300 1,0 Н-А2-10К 60-100
32с910р1, -2, -3 400 Н-Б1-11 100-300
32с910р 600
32с910р1
32с910р 800 Н-В-12 250-630
32с910р1
32с910р 1000 Н-В-25 630-1000
32с910р1
32с910р 1200
32с910р1
30с911нж 250 8,0 Н-В-03 250-630
30с911нж1
30с911нж4, -5, -6, -7 В-В-03
30с911нжТ Н-В-03
30с911нж1Т
30с911нж3Т, -4Т В-В-03
30с911нжЭ Н-В-03
30с911нж1Э
30с911нж4Э, -5Э, -6Э, -7Э В-В-03
30с911нж 300 8,0 Н-В-19 630 - 1000
30с911нж1
30с911нж4, -5, -6, -7 В-В-12
30с911нжТ Н-В-19
30с911нж1Т
30с911нж3Т, -4Т В-В-12
30с911нжЭ Н-В-19
30с911нж1Э
30с911нж4Э, -5Э, -6Э, -7Э В-В-12
30с911нж 500 8,0 Н-Г-03 1000-2500
30с911нж1
30с911нж4, -5 В-Г-03
30с911нжТ Н-Г-03
30с911нж1Т
30с911нж3Т, -4Т В-Г-03
30с911нжЭ Н-Г-03
30с911нж1Э
30с911нж4Э, -5Э В-Г-03
30с907нж3, -4, -5 400 2,5 Н-В-25 630-1000
30с907нж9, -10, -11 В-В-09
30с907нжА Н-В-25
30с907нж1А, -2А
30с907нж3, -4, -5 500 Н-Г-12 1000-2500
30с907нж9, -10, -11 В-Г-03
30с907нж12 Н-В-25 630-1000
30с907нжА Н-Г-12 1000-2500
30с907нж1А, -2А
30с907нж3, -4, -5 600 2,5
30с907нж9, -10, -11 В-Г-03
30с907нж12 Н-Г-12
30с907нжА
30с907нж1А, -2А
30с907нж3, -4, -5 800 2,5 Н-Г-12 1000-2500
30с907нж9, -10, -11 В-Г-03
30с907нжА Н-Г-12
30с907нж1А, -2А
30с907нж 1000 Н-Д-06 5000-8500
ЕУРИ 491625.003 150 4,0 В-А211К 60-100
ЕУРИ 491625.006 200 2,5 В-Б1-06 100-300
4,0
ЕУРИ 491635.002 250 2,5
4,0
ЕУРИ 491625.009 150 2,5 Н-А2-11К 60-100
ЕУРИ 491625.010 200 1,6 В-Б1-06 10-300
ЕУРИ 491625.011 250
ИА 11165-200 200 2,5 2-ПБ-16 100-250
ИА 11165-200-01 2-ОБ-16
ИА 11165-200-06 2-ПБ-16
ИА 11165-200-07 2-ОБ-16
ИА 11165-200-12 2-ПБ-16
ИА 11165-200-13 2-ОБ-16
ИА 11165-250 250 2-ПБ-16
ИА 11165-250-01 2-ОБ-16
ИА 11165-250-06 2-ПБ-16
ИА 11165-250-07 2-ОБ-16
ИА 11165-300 300 2-ПБ-17
ИА 11165-300-01 2-ОБ-17
ИА 11165-300-06 2-ПБ-17
ИА 11165-300-07 2-ОБ-17
ИА 11165-350 350 2-ПБ-18
ИА 11165-350-01 2-ОБ-18
ИА 11165-400 400 2-ПВ-16 250-630
ИА 11165-400-01 2-ОВ-16
ИА 11165-400-08 2-ПВ-16
ИА 11165-400-09 2-ОВ-16
ИА 11165-500 500 2,5 2-ПГ-16 1000-2500
ИА 11165-500-01 2-ОГ-16
ИА 11165-500-04 2-ПГ-16
ИА 11165-500-05 2-ОГ-16
ИА 11165-600, -06 600 2-ПГ-17
ИА 11165-600-01, -07 2-ОГ-17
ИА 01021-200 200 0,005 2-ОБ-01 100-250
ИА 01021-100-01
ИА 01021-400 400 2-ОБ-12
ИА 01021-400-01
ИА 01021-600 600 2-ОБ-03
ИА 01021-600-01
ИА 01021-1000 1000 2-ОБ-05
ИА 01021-1000-01
ИА 01022-400 400 0,006 2-ОБ-12
ИА 01017-200М, -01, -02, -03 200 0,005 2-ОБ-01
ИА 01017-300М, -01, -02, -03 300
ИА 01017-400М, -01, -02, -03 400 2-ОБ-03
ИА 01017-500М, -01, -02, -03 500
ИА 01017-600М, -01, -02, -03 600 0,005 2-ОБ-03 100-250
ИА 01017-700М, -01, -02, -03 700 2-ОБ-04
ИА 01017-800М, -01, -02, -03 800
ИА 01017-1000М, -01, -02, -03 1000 2-ОБ-05
ИА 01017-1200М, -01 1200
ИА 01017-1400М, -01 1400 2-ОБ-07
ЕУРИ 494464.006-01 600 2,5 2-ПБ-03
30с942нж 30нж942нж 150 1,0 Н-Б1-05 В-Б1-05 100-300
30с950нж 30нж950нж 1,6
30с942нж 30нж942нж 200 1,0
30с950нж 30нж950нж 1,6
30с942нж 30нж942нж 250 1,0
30с950нж 30нж950нж 1,6
30с942нж 30нж942нж 300 1,0 Н-Б1-06 В-Б1-06
30с950нж 30нж950нж 1,6
30с946нж 30нж946нж 400 0,6
30с942нж 30нж942нж 1,0
30с950нж 30нж950нж 1,6
30с946нж 30нж946нж 500 0,6 Н-В-06 В-В-06 250-630
30с946нж 30нж946нж 600
30с947нж 30нж947нж 800 0,4
30с947нж 30нж947нж 1000
30с947нж 30нж947нж 1200 Н-Г-26 В-Г-14 600-1400
30с914нж 30нж914нж 1400 0,16
30с911нж 1500 0,1
19с941нж 300 0,007 Н-Б1-28 100-300
400 Н-Б1-11
600
1000 Н-В-02 250-630
1200 Н-В-15 630-1000
19с941нж 200 0,005 А-18  
300 А-16
400 А-17
600 Н-Б1-11 100-300
800
1000
1200
19нж939р 200 0,01 В-Б1-15 100-300
300
400 В-Б1-01
500
600
800
1000 В-Б1-02
1200

Таблица применения электроприводов на изделиях ОАО "Благовещенский арматурный завод"

Обозначение изделия DN, мм PN, МПа Тип электропривода (ТУ 28.14.20-001-43542160-2024) М кр., Н-м
30с941нж 30нж941нж 50 1,6 Н-А2-05 В-А2-05 25-60
30с915нж 30нж915нж 2,5
4,0
30с941нж 30нж941нж 80 1,6 Н-А2-11 В-А2-11 60-100
100
30с915нж 30нж915нж 80 0,5
4,0
100 2,5
4,0
30с941нж 30нж941нж 150 1,6
125
30с915нж 30нж915нж 150 2,5 4,0 Н-Б1-05 В-Б1-05 100-300
30с941нж 30нж941нж 200 1,6
30с915нж 30нж915нж 2,5 4,0
30с915нж 30нж915нж 250 2,5 Н-В-06 В-В-06 250-630
30с976нж 30нж976нж 50 6,3 Н-А2-11 В-А2-11 60-100
80
100 Н-Б1-05 В-Б1-05 100-300
150
30с949нж 30нж949нж 50 16,0
80
100
150 Н-В-18 В-В-11 630-1000
30с976нж 30нж976нж 200 6,3 Н-В-06 В-В-06 250-630
30с941нж 30нж941нж 250 1,6 Н-Б1-06 В-Б1-06 100-300
300 Н-В-06 В-В-06 250-630
400
30с915нж 30нж915нж 250 4,0
300 2,5
300 4,0 Н-В-12 В-В-12 630-1000

Таблица применения электроприводов на изделиях ОАО "Пензтяжпромарматура"

DN PN, Мпа Обозначение изделия Мкр. Откр/закр, Н-м Тип присоединения Тип электропривода (ТУ 28.14.20-001-43542160-2024)
50 1,60 ПТ11055-050 30с941нж 13/17 М Н-М-04 В-А2-05
2,50 ПТ11015-050 30с964нж 14/19 А
4,00 ПТ11083-050 30с915нж 16/23
80 1,60 ПТ11055-080 30с941нж 25/25 Н-А2-05 В-А2-05
2,50 ПТ11015-080 30с964нж 25/25
4,00 ПТ11083-80 30с915нж 30/30
100 1,60 ПТ11055-100 30с941нжБ 30/30 Н-А2-05 В-А2-05
2,50 ПТ11055-100 30с964нжБ 30/30
4,00 ПТ11083-100 30с915нжБ 45/45
6,40 ПТ11084-100 30с976нжБ 60/60 Н-А2-11 В-А2-11
150 1,00 ПТ11095-150М 53/50 Н-А2-05 В-А2-05
1,60 ПТ13070-150 30с950нж 51/54
ПТ19001-150 50/50 Н-А2-05
ПТ11055-150 30с941нжБ 100/95 Н-А2-10 В-А2-10
2,50 ПТ11015-150 30с964нжБ 90/90
4,00 ПТ11083-150 30с915нжБ
6,40 ПТ11084-150 30с976нжБ 150/140 Б В-Б1-02
200 1,60 ПТ11055-200 30с941нжБ 120/100 Н-Б1-03 В-Б1-03
2,50 ПТ11015-200 30с964нжБ 160/140
4,00 ПТ11083-200 30с915нжБ 270/250 В Н-В-06 В-В-06
ПТ11083-200М 30с915нжБ 240/220 Б Н-Б1-03 В-Б1-03
6,40 ПТ11085-200 30с976нжБ 540/500 В Н-В-02 В-В-02
1,00 ПТ11095-200 30с942нж 120/110 Б Н-Б1-03 В-Б1-03
1,60 ПТ13070-200 30с950нж 110/100
ПТ19001-200 70/70 А Н-А2-10
250/200 4,00 ПТ11083-250/200 30с915нж 270/250 В Н-В-06 В-В-06
6,40 ПТ11085-250/200 30с976нж 540/500
250 1,00 ПТ11095-250 30с942нж 110/100 Б Н-Б1-03 В-Б1-03
1,60 ПТ19001-250 200/200 Н-Б1-03
300/250 2,50 ПТ11015-300/250 30с964нж 270/250 В Н-В-06 В-В-06
250 1,60 ПТ11055-250 30с941нжБ 180/150 Б Н-Б1-03 В-Б1-03
2,50 ПТ11015-250 30с964нжБ 220/190
4,00 ПТ11083-250 30с915нжБ 400/350 В Н-В-06 В-В-06
6,40 ПТ11085-250 30с976нжБ 716/699 Н-В-15 В-В-08
300 1,00 ПТ11095-300М 30с942нж 125/125 Б Н-Б1-03 В-Б1-03
1,60 ПТ19001-300 240/240 Н-Б1-03
ПТ11055-300 30с941нжБ 210/170 Н-Б1-06 В-Б1-06
6,40 ПТ11084-300 30с976нж 1390/1330 Г Н-Г-06 В-Г-06
2,50 ПТ11015-300 30с964нжБ 350/300 В Н-В-06 В-В-06
4,00 ПТ11083-300 30с915нжБ 700/630 Н-В-19 В-В-12
350 1,60 ПТ11055-350-03 30с941нж 350/300 Н-В-06 В-В-06
400 1,60 ПТ11055-400 30с941нжБ 480/410
2,50 ПТ11015-400 30с964нжБ 783/664 Н-В-16 В-В-09
6,40 ПТ11009-400 30с976нжБ 2120/1900 Г В-Г-06
1,00 ПТ110090-400 30с942р 458/391 В Н-В-02
2,50 ПТ12003-400 30с927нж 900/740 Н-В-16 В-В-09
500 0,60 ПТ11096-400 30с946нж 150/120 Б Н-Б1-03 В-Б1-03
1,00 ПТ11090-500 31с942р 670/550 В Н-В-06
2,50 ПТ12003-500 30с927нж 2380/1910 Г Н-Г-03 В-Г-03
6,40 ПТ12004-500 30с975нж 5150/6500 Д Н-Д-03 В-Д-03
4,00 ПТ11002-500 30с915нжБ 2375/2075 Г Н-Г-03 В-Г-03
0,60 ПТ11096-500М 30с946нж 290/250 В Н-В-06 В-В-06
1,60 ПТ11055-500 30с941нжБ 770/640 Н-В-16 В-В-09
2,50 ПТ11004-500 30с964нжБ 1440/1120 Г Н-Г-03 В-Г-03
4,00 ПТ11083-500 30с915нжБ 2375/2075
500 8,00 ПТ11009-500 30с976нжБ 5800/5150 Д Н-Д-03 В-Д-03
6,40 ПТ11009-500М 30с919нжБ 2460/2050 Г В-Г-06
8,00 ПТ11009-500М1 30с919нжБ 4350/3880 Д В-Д-09
600/500 2,50 ПТ12003-600/500 30с927нж 2380/1910 Г Н-Г-03 В-Г-03
600 1,00 ПТ11090-600 31с942р 880/780 В Н-В-19
0,60 ПТ11096-600М 30с946нж1 380/300 Н-В-06 В-В-06
1,00 ПТ12005-600 30ч930бр 700/500 Н-В-16
2,50 ПТ12003-600 30с927нж 2500/2150 Г Н-Г-03
ПТ11015-600 30с964нж 1940/1630 Н-Г-03 В-Г-03
700 8,00 ПТ11001-700 8000/6300 Д В-Д-06
ПТ11009-700 30с919нжБ 9000/6300
800 2,50 ПТ11015-800 30с964нжБ 4900/3980 Н-Д-15 В-Д-09
8,00 ПТ11009-800М 30с976нжБ 10000/9000 В-Д-06
6,4 ПТ11009-800 30с919нжБ 8700/7300
1,00 ПТ11090-800 31с942р 1980/1590 Г Н-Г-06
2,50 ПТ12003-800 30с927нж 5780/5700 Д Н-Д-03 В-Д-03
0,40 ПТ11097-800М 30с947нж 530/490 В Н-В-06 В-В-06
1,60 ПТ13067-800 30с950нж 2250/2050 Г Н-Г-06 В-Г-06
1000/800 2,50 ПТ11015-1000/800 30с964нж 4900/3980 Д Н-Д-15 В-Д-09
1000 0,40 ПТ11097-1000М 30с947нж1 840/660 В Н-В-19 В-В-12
0,25 ПТ12001-1000 30ч925бр1 840/531 Н-В-06
1,00 ПТ12005-1000 30ч930бр1 2250/1200 Г Н-Г-06
ПТ11090-1000 30с952р 5000/4800 Д Н-Д-15
1,60 ПТ11001-1000 30с941нжБ 6480/5840 Н-Д-03 В-Д-03
2,50 ПТ11015-1000 30с964нжБ 10000/8940 Н-Д-09 В-Д-06
8,00 ПТ11009-1000 30с919нжБ 9900/7999 В-Д-06
8,00 1009-1000М 30С919нжБ 9660/7900
1200 1,60 ПТ11001-1200 941нжБ 10000/8400 Н-Д-09 В-Д-06
2,50 ПТ11015-1200 30с964нжБ
1200 6,40 ПТ11009-1200 30с976нжБ 10000/8800 Д  
ПТ11009-1200М 30с919нжБ 10000/8800   В-Д-06
0,40 ПТ11097-1200М 30с947нж1 1440/1120 Г Н-Г-06 В-Г-06
0,25 ПТ12001-1200 30ч925бр1 1440/920 Н-Г-06
1,00 ПТ12002-1200 30ч930бр 4901/3300 Д Н-Д-15
1400 0,16 ПТ13004-1400М 30с914нж1 1250/1000 Г Н-Г-06 В-Г-06
0,25 ПТ12001-1400 30ч925бр1 2350/1430
1,00 ПТ12002-1400 30ч937бр1 5650/5120 Д Н-Д-03
ПТ1304-1500М/1400 30с911нж1 1250/1000 Г Н-Г-06 В-Г-06
1500 0,10 ПТ1304-1500М 30с911нж1 1780/1270
1600 0,25 ПТ12001-1600 30ч925бр1 2310/1420 Н-Г-06
1,00 ПТ12002-1600 30ч930бр1 7900/5480 Д Н-Д-03 В-Д-03
2000 0,25 ПТ12001-2000 30чс925бр 4380/2490 Н-Д-15 В-Д-09


Обсудить задачу
Обсудить задачу
Отправьте заявку — с вами свяжется инженер:
  • Обсудить технические вопросы
  • Подготовить коммерческое предложение
  • При необходимости договориться о встрече
  • Организовать экскурсию на производство