Грохот качающийся Вибросид-1000-3

Грохот качающийся Вибросид-1000-3

Площадь одной просеивающей поверхности, м²
0,66
Количество дек, шт.
3
Амплитуда (полуразмах) колебаний, мм
20-70
Все характеристики
Назначение: для рассева и сортировки сыпучих материалов на четыре фракции за один технологический цикл.
Пуско-наладка на вашем объекте и обучение вашего персонала
При необходимости проводим испытания с давальческим сырьем
Послепродажный сервис и плановые поставки запчастей и расходников
от 4 585 000 ₸
Заказать
Гарантия: от 12 месяцев
Доставка: по всей России и СНГ
Сроки изготовления: от 40 рабочих дней
Подобрать решение
Андрей Федоров
Инженер-консультант
+7 (950) 921-62-55

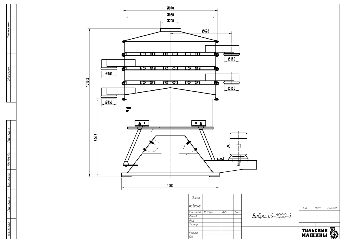
ТЕХНИЧЕСКИЕ ХАРАКТЕРИСТИКИ — Грохот качающийся Вибросид-1000-3

Площадь одной просеивающей поверхности, м² 0,66
Количество дек, шт. 3
Амплитуда (полуразмах) колебаний, мм 20-70
Масса, кг 580
Мощность электродвигателя, кВт 1,5
Производительность, т/ч до 5
Изготовление по вашему ТЗ
Отправить ТЗ
Реверс-инжиниринг
Обсудить задачу

ОПИСАНИЕ — Грохот качающийся Вибросид-1000-3

Грохот качающийся с тремя ситами — это высокоэффективное оборудование для рассева и сортировки сыпучих материалов на четыре фракции за один технологический цикл. Качающиеся (круговые) колебания корпуса обеспечивают равномерное распределение материала по всем ситам, высокую точность классификации и стабильную работу в непрерывном режиме.

Трёхситовая конструкция позволяет одновременно получать:

  • крупную фракцию (над верхним ситом)
  • две промежуточные фракции (между ситами)
  • мелкую фракцию (под нижним ситом)

Такое решение особенно эффективно для технологических линий, где требуется многоступенчатая сортировка при компактной компоновке оборудования.

Преимущества

  • сортировка материала на четыре фракции за один проход
  • высокая точность и стабильность грохочения
  • равномерная нагрузка на сита без их забивания
  • компактная вертикальная конструкция
  • закрытое исполнение — снижение пылеобразования и потерь материала
  • простое обслуживание и быстрая замена сит

Конструктивные особенности

Грохот выполнен в трёхдечном исполнении и оснащён встроенным виброузлом, формирующим оптимальные качающиеся колебания. Возможна установка сит с различным размером ячеек для получения требуемых фракций. Конструкция рассчитана на эксплуатацию в условиях промышленной нагрузки и легко интегрируется в существующие производственные линии.

Области применения

  • дробильно-сортировочные комплексы
  • сортировка песка, отсева и мелкого щебня
  • бетонные и асфальтобетонные заводы
  • производство сухих строительных смесей
  • переработка инертных и минеральных материалов

Грохот качающийся с тремя ситами — оптимальное решение для предприятий, которым необходима эффективная сортировка на четыре фракции при высокой производительности и компактных габаритах оборудования.

ЧЕРТЕЖ — Грохот качающийся Вибросид-1000-3



Обсудить задачу
Обсудить задачу
Отправьте заявку — с вами свяжется инженер:
  • Обсудить технические вопросы
  • Подготовить коммерческое предложение
  • При необходимости договориться о встрече
  • Организовать экскурсию на производство