Грохот качающийся Вибросид-1600-2

Грохот качающийся Вибросид-1600-2

Масса, кг
1140
Мощность электродвигателя, кВт
2,2
Производительность, т/ч
до 10
Все характеристики
Назначение: для рассева и сортировки сыпучих материалов на три фракции за один технологический проход.
Пуско-наладка на вашем объекте и обучение вашего персонала
При необходимости проводим испытания с давальческим сырьем
Послепродажный сервис и плановые поставки запчастей и расходников
Цена по запросу
узнать цену
Гарантия: от 12 месяцев
Доставка: по всей России и СНГ
Сроки изготовления: от 40 рабочих дней
Подобрать решение
Андрей Федоров
Инженер-консультант
+7 (950) 921-62-55

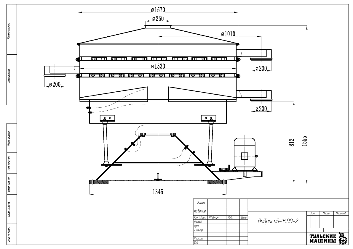
ТЕХНИЧЕСКИЕ ХАРАКТЕРИСТИКИ — Грохот качающийся Вибросид-1600-2

Масса, кг:
1140
Мощность электродвигателя, кВт:
2,2
Производительность, т/ч:
до 10
Амплитуда (полуразмах) колебаний, мм:
20-70
Количество дек, шт.:
2
Площадь одной просеивающей поверхности, м²:
1,81
Изготовление по вашему ТЗ
Отправить ТЗ
Реверс-инжиниринг
Обсудить задачу

ОПИСАНИЕ — Грохот качающийся Вибросид-1600-2

Грохот качающийся с двумя ситами — это промышленное оборудование для рассева и сортировки сыпучих материалов на три фракции за один технологический проход. Качающиеся (круговые) колебания корпуса обеспечивают равномерное распределение материала по ситам, высокую точность разделения и стабильную работу в непрерывном режиме.

Двухситовая конструкция позволяет одновременно получать:

  • крупную фракцию (над верхним ситом)
  • среднюю фракцию (между ситами)
  • мелкую фракцию (под нижним ситом)

Такое решение повышает производительность линии и снижает необходимость в дополнительном сортировочном оборудовании.

Преимущества

  • сортировка материала сразу на три фракции
  • высокая точность и стабильность рассева
  • равномерная загрузка сит без забивания
  • компактная вертикальная компоновка
  • закрытая конструкция — минимальное пылеобразование
  • удобство обслуживания и быстрая замена сит

Конструктивные особенности

Грохот выполнен в двухдечном исполнении и оснащён встроенным виброузлом, создающим оптимальные качающиеся колебания. Возможна установка сит с различным размером ячеек для получения требуемых фракций. Прочная конструкция рассчитана на длительную эксплуатацию в промышленных условиях и легко интегрируется в существующие технологические линии.

Области применения

  • дробильно-сортировочные комплексы
  • сортировка песка, отсева и мелкого щебня
  • бетонные и асфальтобетонные заводы
  • производство сухих строительных смесей
  • переработка инертных и минеральных материалов

Грохот качающийся с двумя ситами — оптимальный выбор для предприятий, которым требуется эффективная сортировка сыпучих материалов на три фракции при компактных габаритах и высокой надёжности оборудования.

ЧЕРТЕЖ — Грохот качающийся Вибросид-1600-2



Обсудить задачу
Обсудить задачу
Отправьте заявку — с вами свяжется инженер:
  • Обсудить технические вопросы
  • Подготовить коммерческое предложение
  • При необходимости договориться о встрече
  • Организовать экскурсию на производство