Грохот качающийся Вибросид-1800-1-Н

Грохот качающийся Вибросид-1800-1-Н

Площадь одной просеивающей поверхности, м²
2,26
Количество дек, шт.
1
Амплитуда (полуразмах) колебаний, мм
20-70
Все характеристики
Назначение: для контрольного рассева и классификации сыпучих материалов по двум фракциям.
Пуско-наладка на вашем объекте и обучение вашего персонала
При необходимости проводим испытания с давальческим сырьем
Послепродажный сервис и плановые поставки запчастей и расходников
от 10 210 000 ₸
Заказать
Гарантия: от 12 месяцев
Доставка: по всей России и СНГ
Сроки изготовления: от 40 рабочих дней
Подобрать решение
Андрей Федоров
Инженер-консультант
+7 (950) 921-62-55

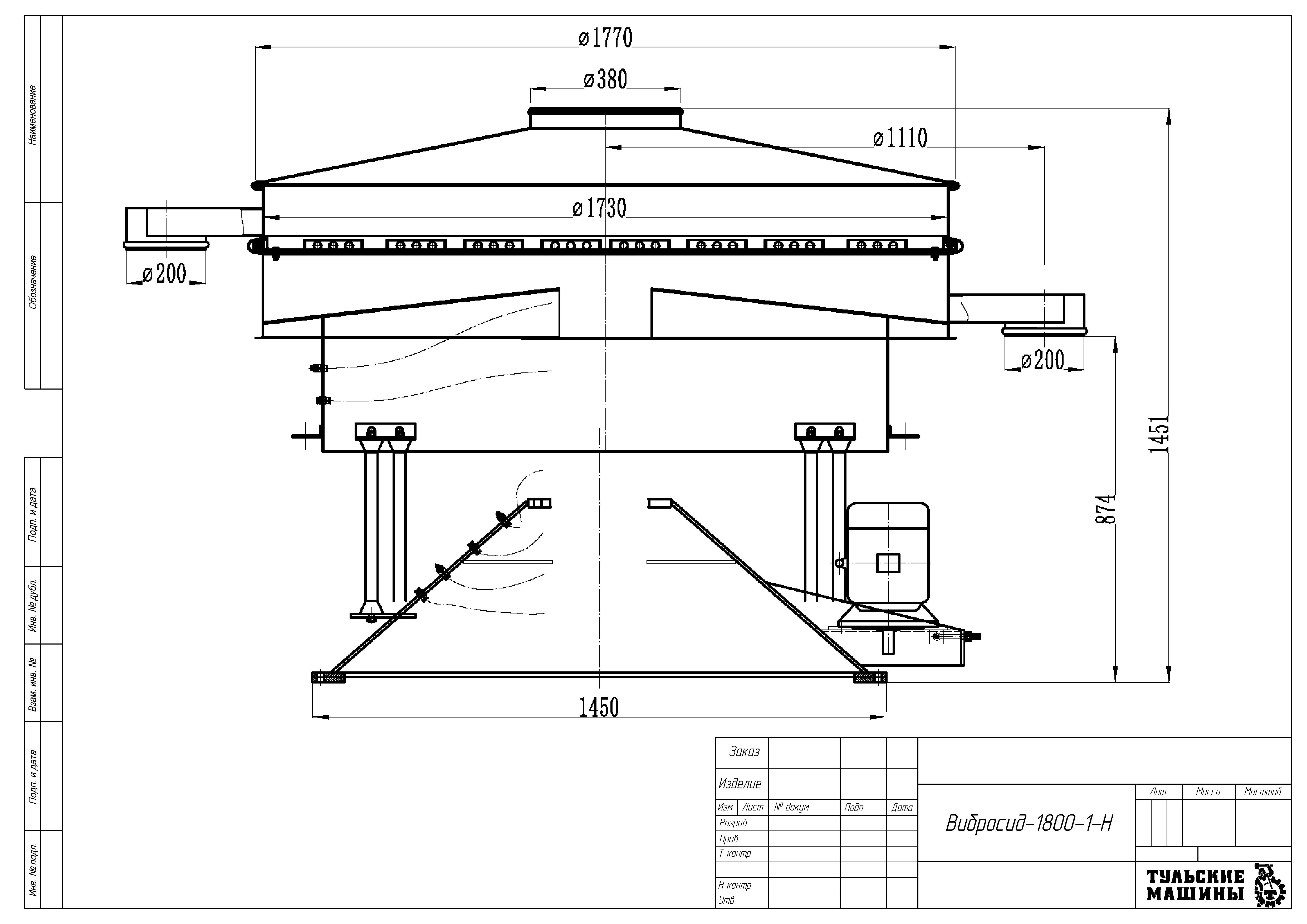
ТЕХНИЧЕСКИЕ ХАРАКТЕРИСТИКИ — Грохот качающийся Вибросид-1800-1-Н

Площадь одной просеивающей поверхности, м² 2,26
Количество дек, шт. 1
Амплитуда (полуразмах) колебаний, мм 20-70
Масса, кг 1220
Мощность электродвигателя, кВт 3
Производительность, т/ч до 12
Изготовление по вашему ТЗ
Отправить ТЗ
Реверс-инжиниринг
Обсудить задачу

ОПИСАНИЕ — Грохот качающийся Вибросид-1800-1-Н

Грохот качающийся с одним ситом из нержавеющей стали — это компактное и надёжное оборудование для рассева и классификации сыпучих материалов на две фракции за один технологический цикл. Качающиеся (круговые) колебания корпуса обеспечивают равномерное распределение материала по поверхности сита и стабильное качество разделения.

Односитовая конструкция позволяет одновременно получать:

  • крупную фракцию (над ситом)
  • мелкую фракцию (под ситом)

Исполнение из нержавеющей стали обеспечивает повышенную коррозионную стойкость, гигиеничность и длительный срок службы, что делает грохот особенно востребованным на производствах с повышенными требованиями к чистоте оборудования.

Преимущества

  • разделение материала на две фракции за один проход
  • равномерный рассев без забивания сита
  • компактная вертикальная компоновка
  • нержавеющее исполнение — устойчивость к коррозии и агрессивным средам
  • закрытая конструкция — снижение пылеобразования
  • простота обслуживания и быстрая замена сита

Конструктивные особенности

Грохот выполнен в однодечном исполнении и оснащён встроенным виброузлом, формирующим оптимальные качающиеся колебания. Корпус и основные элементы изготовлены из нержавеющей стали, возможна установка сит с различным размером ячеек для получения требуемых фракций. Конструкция рассчитана на непрерывную промышленную эксплуатацию и легко интегрируется в существующие технологические линии.

Области применения

  • производство сухих строительных смесей
  • пищевая и химическая промышленность
  • фармацевтические и косметические производства
  • линии подготовки песка и отсева
  • переработка минеральных и сыпучих материалов

Грохот качающийся с одним ситом из нержавеющей стали — оптимальное решение для задач, где требуется точная сортировка на две фракции, компактность оборудования и соответствие высоким санитарным и эксплуатационным требованиям.

ЧЕРТЕЖ — Грохот качающийся Вибросид-1800-1-Н



Обсудить задачу
Обсудить задачу
Отправьте заявку — с вами свяжется инженер:
  • Обсудить технические вопросы
  • Подготовить коммерческое предложение
  • При необходимости договориться о встрече
  • Организовать экскурсию на производство